EasyManua.ls Logo

Compact C 1600-12 - Prinzip Schema; Beschreibung der Hauptfunktionen

Default Icon
83 pages
Print Icon
To Next Page IconTo Next Page
To Next Page IconTo Next Page
To Previous Page IconTo Previous Page
To Previous Page IconTo Previous Page
Loading...
STUDER Innotec COMPACT
COMPACT V6.6 33/83
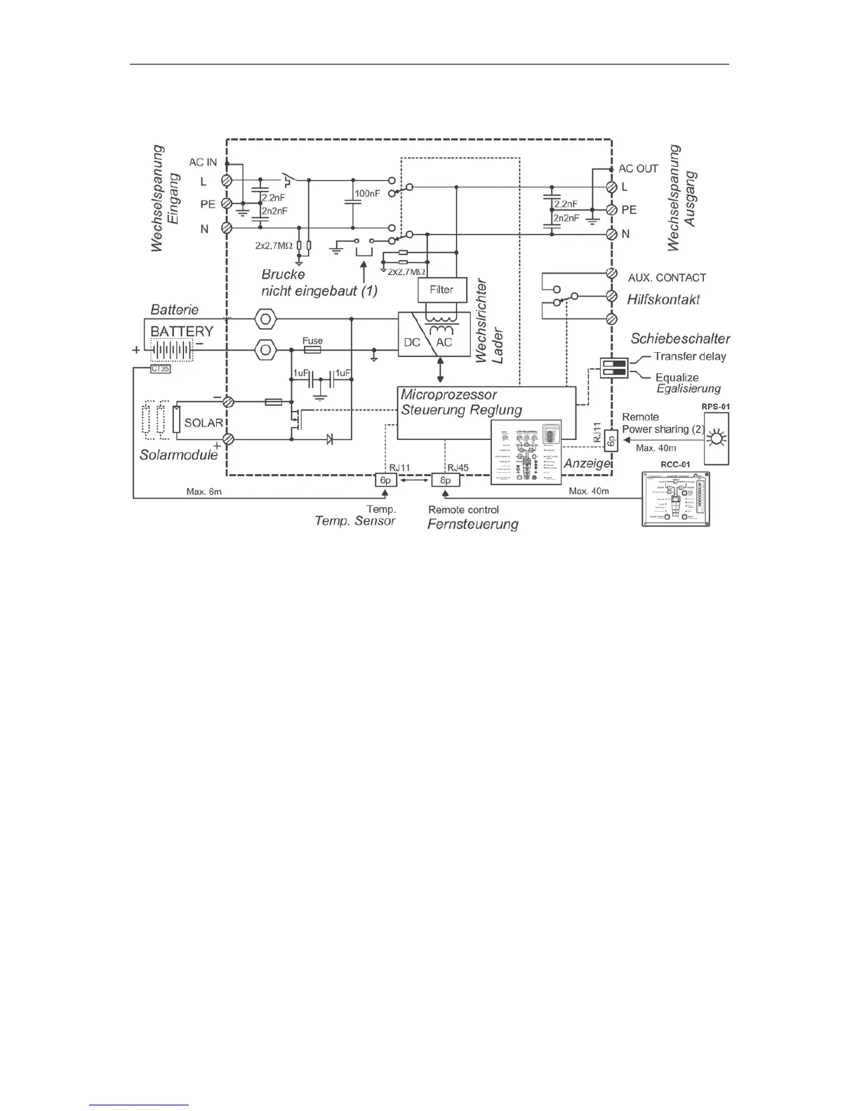
2.1 Prinzip Schema
Bemerkung :
(1) Der Neutralleiter “N“ des COMPACT ist in keiner Funktionsart mit dem
Erdleiter “PE“ verbunden. Falls nötig und wenn es die jeweiligen gültigen
Vorschriften verlangen kann die automatische Zuschaltung der Erde mit dem
Neutralleiter mit dem Einbringen einer Brücke im Geräteinnern realisiert werden.
Klären Sie eine eventuelle Änderung mit dem Installateur.
(2) Fernbedienung für das Einstellen des maximalen Eingangsstroms (siehe
Abschnitt 4.6.3)
2.2 Beschreibung der Hauptfunktionen
2.2.1 Der Wechselrichter
Der im COMPACT eingebaute Sinuswechselrichter erzeugt eine äusserst präzise
spannungs- und frequenzstabile, sinusförmige Wechselspannung. Um auch grosse
Lasten wie Elektromotoren usw. starten zu können, steht dem Verbraucher eine
kurzzeitige Startleistung grösser als die Nominalleistung des COMPACT zur
Verfügung.
Der Wechselrichter ist gegen Überlast, Übertemperatur und Kurzschluss geschützt.
Ein Leistungsteil mit modernsten Power-MOS-FET Transistoren, ein
Ringkerntransformator und ein schnelles Regelsystem bilden einen robusten und
zuverlässigen Wechselrichter mit höchstem Wirkungsgrad. Eine von 1 – 20 Watt
einstellbare Standby- oder Lasterkennungsschaltung sorgt für kleinsten
Energieverbrauch und möglichst lange Lebensdauer der Batterie.
2.2.2 Der Transferschalter
Der COMPACT kann an eine Wechselstromquelle angeschlossen werden. Zum
Beispiel an Notstromgeneratoren oder ans öffentliche Netz. Über den

Table of Contents