EasyManua.ls Logo

Compact C 1600-12 - Introduction; Principle Schematic

Default Icon
83 pages
Print Icon
To Next Page IconTo Next Page
To Next Page IconTo Next Page
To Previous Page IconTo Previous Page
To Previous Page IconTo Previous Page
Loading...
STUDER Innotec COMPACT
COMPACT V6.6 7/83
If acid enters the eyes, you must thoroughly wash them with cold running water
for at least 15 minutes. It is recommended that you immediately consult a
medical doctor.
Baking powder neutralizes battery acid electrolyte. Always keep some at hand.
Special care must be taken when working with metal tools near or on the
batteries. With tools such as screwdrivers, spanners etc. short-circuits can
result. Sparks produced by the short circuit can cause an explosion.
When working on batteries all personal metal items such as rings, necklaces
and bracelets must be removed. Batteries are so powerful that short-circuit with
these items can melt them and thus cause severe burns. Always follow the
battery manufacturer instructions.
Under certain conditions COMPACT or a connected generator can start
automatically. While working on an electrical installation you must ensure that
these appliances are disconnected beforehand from the installation.
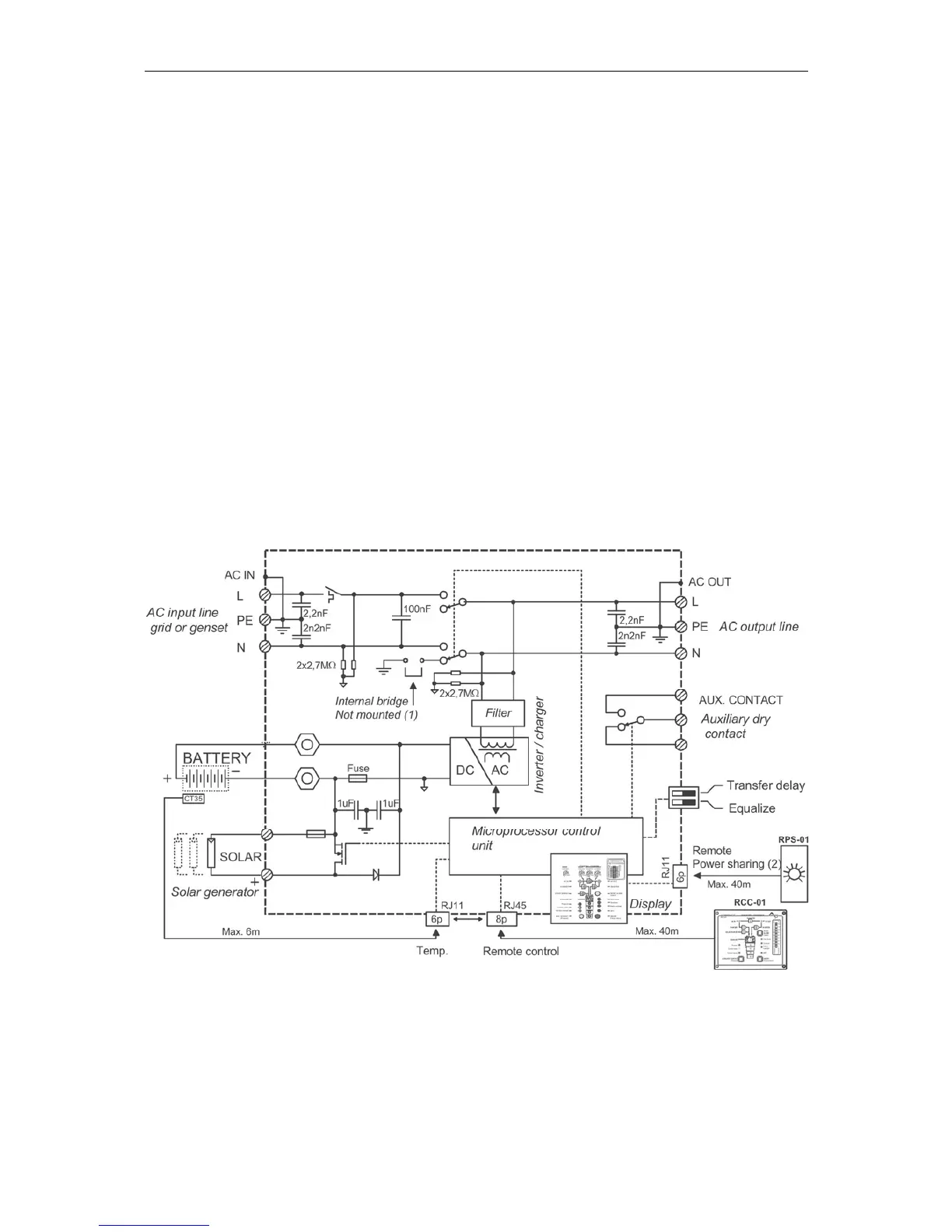
2 Introduction
The COMPACT is a sine wave inverter with integrated battery charger with many
additional functions, it has been developed to be used as stand-alone (no grid-
feeding) AC provider, or as continuous / break-free current supply provider (UPS).
2.1 Principle schematic

Table of Contents