EasyManua.ls Logo

Comprag A1108 - Functional Description; Regulating System

Default Icon
104 pages
Print Icon
To Next Page IconTo Next Page
To Next Page IconTo Next Page
To Previous Page IconTo Previous Page
To Previous Page IconTo Previous Page
Loading...
13COMPRAG Screw air compressor A-Series
2.4 Functional description (see Fig. 2.1 and Fig. 2.2)
Air ow:
Air drawn through Air lter (4) and open Intake valve (5) into compressor Air-end (3) is compressed.
Compressed air and oil ow into Air-Oil separation tank (6). The air is discharged via Min.
Pressure valve (11) through Heat-exchanger (13) towards the Air Outlet Valve (20).
Oil ow:
Air pressure forces oil from the air-oil separation tank (6) through the heat-exchanger (14)
and the oil lter (16) to the compressor air-end (3) and the lubrication points. In the air-oil
separation tank (6), most of the oil is removed centrifugally; the rest is removed by the
air-oil separator (8).
The oil system is tted with a thermostatic valve (15). When the oil temperature is below
the set-point of the thermostatic valve, the thermostatic valve shuts off the oil supply
from oil heat-exchanger (14). The thermostatic valve starts opening the supply from heat-
exchanger (14) when the oil temperature exceeds the valve’s setting. The setting of the
thermostatic valve depends on the model. See table Technical Data.
Cooling system:
The cooling system comprises a combined air section (13) and an oil section (14) heat-
exchanger. A cooling fan, mounted directly on the motor shaft, generates the cooling air in
order to cool the heat-exchanger.
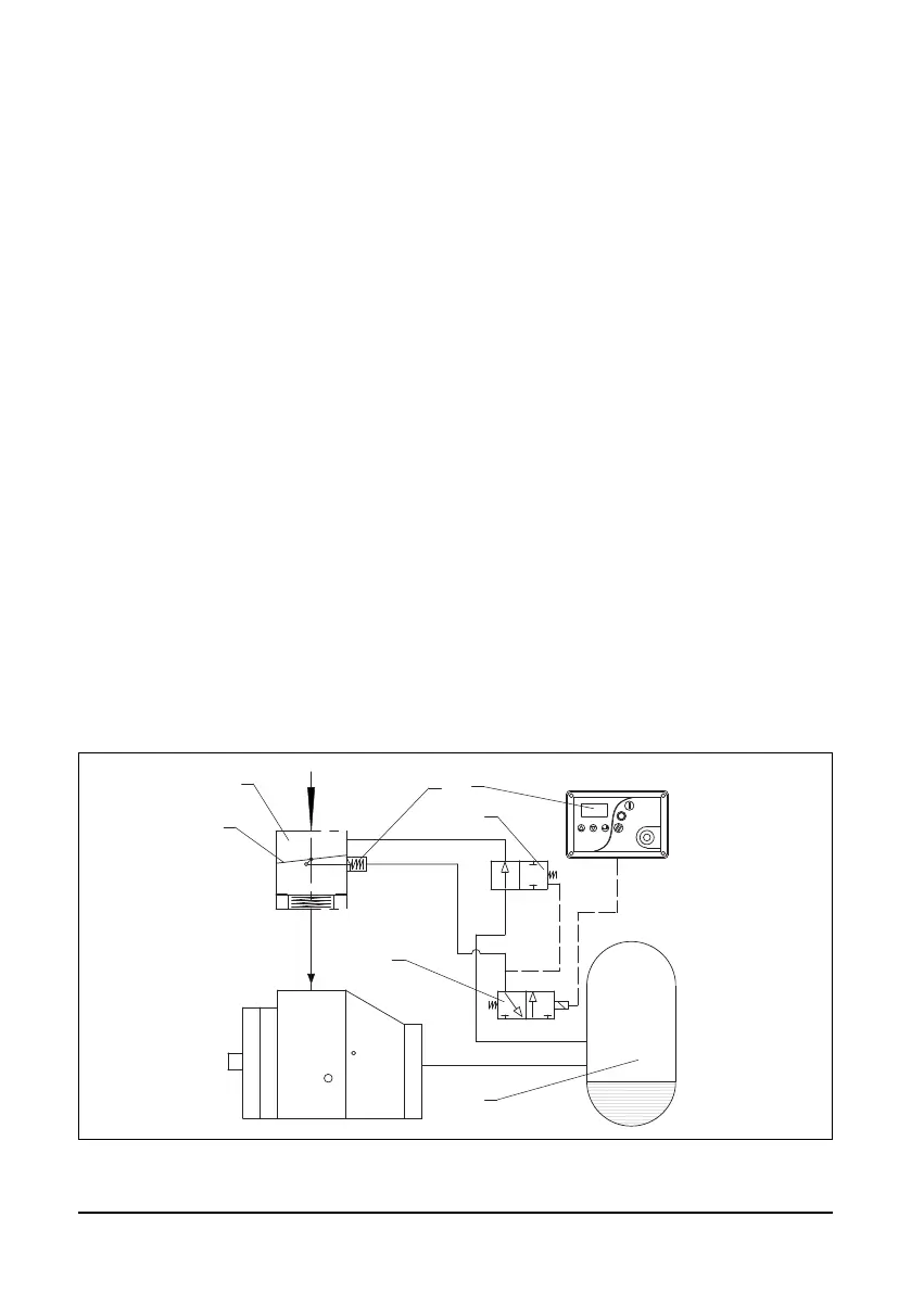
2.5 Regulating system
5
4
3
1
2
6
7
Fig. 2.3 Regulating system

Table of Contents

Related product manuals