EasyManua.ls Logo

Comprag A1108 - Система Регулировки

Default Icon
104 pages
Print Icon
To Next Page IconTo Next Page
To Next Page IconTo Next Page
To Previous Page IconTo Previous Page
To Previous Page IconTo Previous Page
Loading...
83COMPRAG Компрессор воздушный винтовой A-Серия
2.5 Система регулировки
5
4
3
1
2
6
7
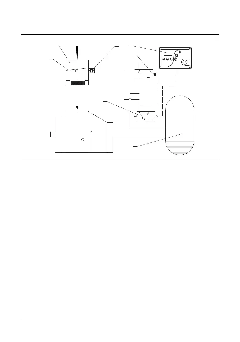
Рис. 2.5 Система регулировки
Для управления параметрами компрессор оборудован контроллером e-Log, который
в автоматическом режиме отслеживает расход потребителем воздуха. При падении
давления в пневмосети ниже установленного уровня, контроллер даёт команду на запуск
компрессора. При достижении максимального установленного уровня, компрессор переходит
в режим ожидания (холостой ход), время которого устанавливается на контроллере.
Разгрузка:
Когда расход воздуха потребителем меньше, чем производительность компрессора,
давление в пневмосети достигает установленного максимума. Электромагнитный
клапан (6) прекращает регулировку системы:
1. Управляющий воздух перестаёт подаваться на заслонку (2) всасывающего клапана
(1). Она закрывается под действием пружины (3). Всасывание воздуха прекращается.
2. Разгрузочный клапан (5) открывается и сбрасывает внутреннее давление в атмосферу,
разгружая систему и бак-сепаратор (7).
3. Давление в системе стабилизируется, потребление воздуха отсутствует, компрессор
переходит в режим ожидания: двигатель не выключается, создавая в системе небольшое
давление для обеспечения компрессору облегчённого старта. Время режима ожидания
до останова или включения компрессора может быть установлено на контроллере в зависи-
мости от условий потребления.

Table of Contents

Related product manuals