EasyManua.ls Logo

Comprag A1108 - Page 46

Default Icon
104 pages
Print Icon
To Next Page IconTo Next Page
To Next Page IconTo Next Page
To Previous Page IconTo Previous Page
To Previous Page IconTo Previous Page
Loading...
46 Version 1.2
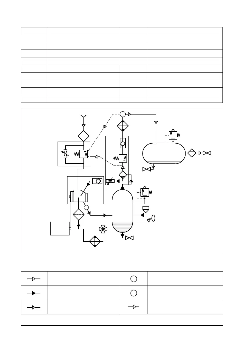
Hauptkomponenten
1 Elektromotor 11 Mindestdruckventil
2 Riementrieb 12 Rückschlagventil
3 Schraubenblock 13 Wärmeaustauscher Luftabschnitt
4 Luftlter 14 Wärmeaustauscher Ölabschnitt
5 Einlassventil 15 Thermostatisches Ventil
6 Luft-/Ölabscheidetank 16 Öllter
7 Sicherheitsventil 17 Ablassventil
8 Luft-/Ölabscheider 18 Öllter Stopfen
9 Drosselventil 19 Sichtglas
10 Rückschlagventil 20 Ablassventil
М
18
7
7
8
17
20
21
19
17
15
14
16
1
2
3
5
4
9
10
11
12
13
Р
т
22
6
Bild 2.2 Ablaufdiagramm AR07..-AR22.., ARD07..-ARD22..
Т
Р
Luftuß
Т
Р
Temperaturfühler
Т
Р
Öluß
Т
Р
Drucksensor
Т
Р
Luft/Öl Gemisch
Т
Р
Pneumatische Steuerleitung

Table of Contents

Related product manuals