EasyManua.ls Logo

Comtech EF Data XTD-400C - A;B AMP Select

Comtech EF Data XTD-400C
158 pages
Print Icon
To Next Page IconTo Next Page
To Next Page IconTo Next Page
To Previous Page IconTo Previous Page
To Previous Page IconTo Previous Page
Loading...
MNC-0300-036 21 of 26 Revision E
Unpacking and Installation
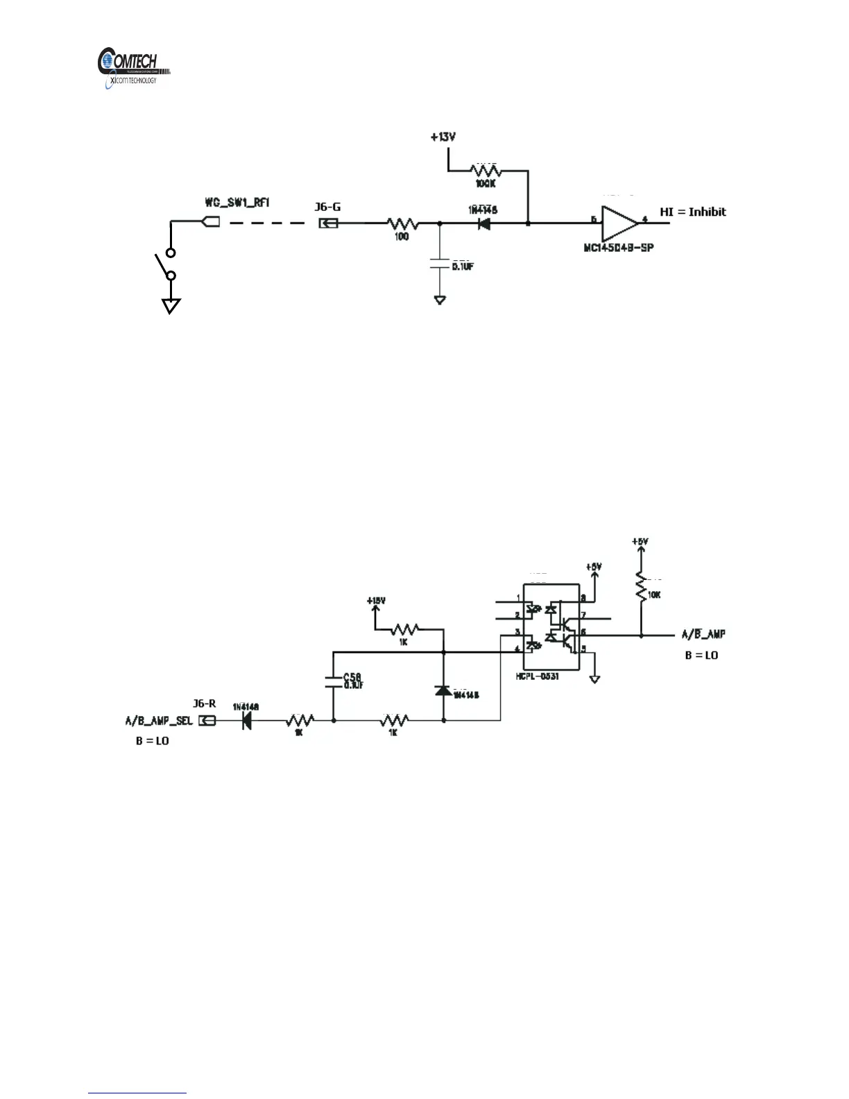
Figure 14, Waveguide SW1 RF Inhibit
A/B AMP Select
Refer to Figure 15. The Amplifier A/B select is an Opto isolator input.
When the input at J6-R is grounded, amplifier address B is selected.
Otherwise, amplifier address A is selected.
Figure 15, A/B Amplifier Select Diagram
EAR EXPORT CONTROLLED: The information contained in this Manual refers or relates to a product that is subject
to the U.S. Export Administration Regulations (EAR). Transfer of data herein by any means to a Foreign Person,
whether in the U.S. or abroad, may require an export license from the U.S. Department of Commerce.

Table of Contents

Related product manuals