EasyManua.ls Logo

Comtech EF Data XTD-400C - Serial Interface Ports

Comtech EF Data XTD-400C
158 pages
Print Icon
To Next Page IconTo Next Page
To Next Page IconTo Next Page
To Previous Page IconTo Previous Page
To Previous Page IconTo Previous Page
Loading...
MNC-0300-036 23 of 26 Revision E
Unpacking and Installation
Serial Interface Ports
Dual serial interface connectors (COM1 and COM2) are available for
remote control operation. Both serial interface ports are always enabled.
The amplifier will respond to commands from either interface. The last
command received has precedence.
COM1 is an RS-232 only serial interface. No switch settings are required
for COM1. Table 1“, Digital Monitor and Control Connector J1 Pinouts,” on
page 11 lists the pinouts for COM1.
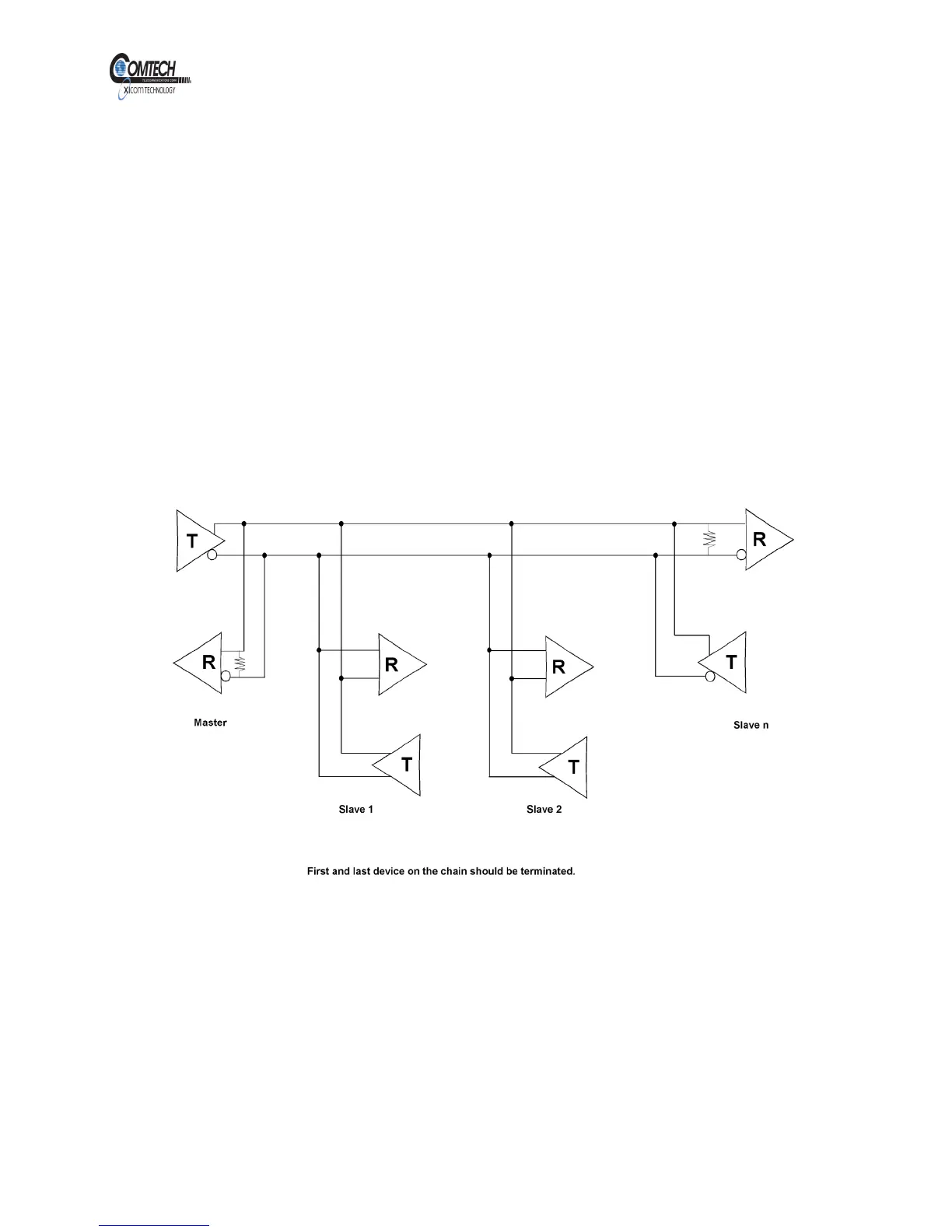
COM2 can be configured as an RS-485 2-wire serial interface or as an
RS-485 4-wire serial interface. The pinouts for the COM2 interface are
listed in Table 1 on page 11, and typical implementations are shown in
Figure 17 and Figure 18.
Figure 17, Typical RS-485 2-Wire Duplex Implementation
EAR EXPORT CONTROLLED: The information contained in this Manual refers or relates to a product that is subject
to the U.S. Export Administration Regulations (EAR). Transfer of data herein by any means to a Foreign Person,
whether in the U.S. or abroad, may require an export license from the U.S. Department of Commerce.

Table of Contents

Related product manuals