EasyManua.ls Logo

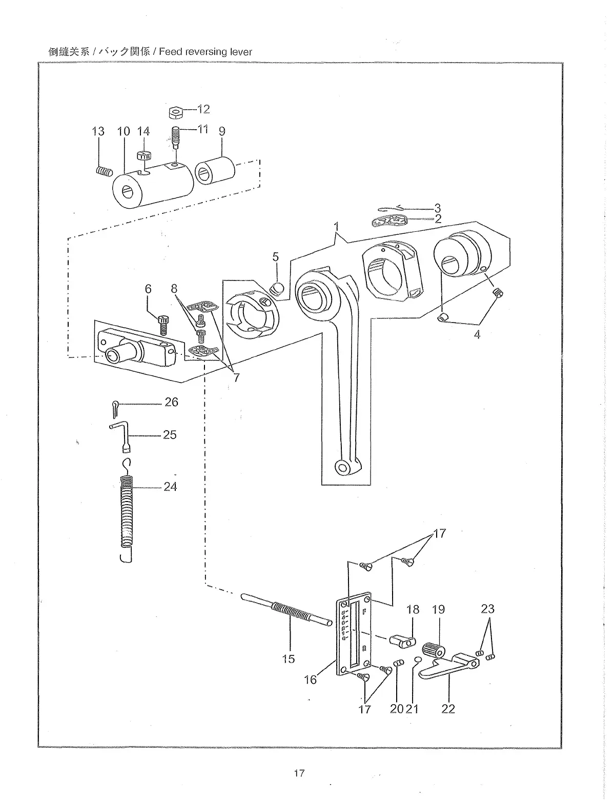
Consew 227r-2 - Feed Reversing Lever Mechanism Diagram

Consew 227r-2
38 pages
Print Icon
To Next Page IconTo Next Page
To Next Page IconTo Next Page
To Previous Page IconTo Previous Page
To Previous Page IconTo Previous Page
Loading...
.-·-·
_
.......
-
-·-
.....
---·-·
I
I
I
w 26
1--25
~
24
.-·-·..1
.-·-·-
17
From the library of: Superior Sewing Machine & Supply LLC

Related product manuals