EasyManua.ls Logo

Control Techniques Unidrive 1402 - 11.1.12 Overall dimensions; 11.1.14 Cable sizes and fuses; 11.1.15 Motor cable lengths

Control Techniques Unidrive 1402
208 pages
Print Icon
To Next Page IconTo Next Page
To Next Page IconTo Next Page
To Previous Page IconTo Previous Page
To Previous Page IconTo Previous Page
Loading...
Safety
Information
Product
Information
Mechanical
Installation
Electrical
Installation
Getting
Started
Menu 0
Running
the motor
Optimisation
Macros
Advanced
Parameters
Technical
Data
Diagnostics
UL Listing
Information
Unidrive User Guide 117
Issue Number: 9 www.controltechniques.com
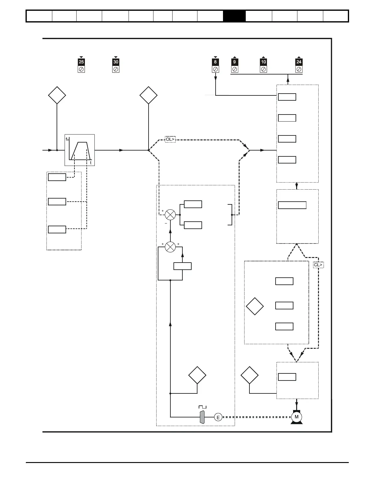
Ramps
Acceleration
rate
OL> Limit
deceleration
rate
RESET
OL> FREQUENCY
CL> SPEED
TORQUE
Motor control
Current
limit
Speed-loop
proportional
gain
Synchronize
to a spinning
motor
Motor speed
Motor
active-current
0.18
0.39
0.03
0.20
Pre-ramp
reference
Post-ramp
reference
0.11 0.12
0.06
0.07
Speed-loop
integral gain
0.08
Stop mode
selector
No. of poles
Power factor
Rated voltage
Rated speed
Rated current
Rated frequency
PWM switching
frequency
0.41
0.42 ~ 0.47
Motor parameters
0.13
CL> Speed-loop PID gains
Power stage
OL> AT SPEED
CL> AT ZERO SPEED
THERMISTOR
OL> EXTERNAL TRIP
CL> DRIVE ENABLE
Speed-loop
derivative
gain
0.09
0.10
Voltage mode
selector
Dynamic V/f
select
0.07
Boost voltage
0.08
0.09
OL> Motor-voltage control
Estimated
motor
speed
0.10
0.19
Hold zero
speed
CL>
Deceleration
rate
0.04

Table of Contents

Related product manuals