EasyManua.ls Logo

Control Techniques Unidrive 1402 - Menu 15: Regen

Control Techniques Unidrive 1402
208 pages
Print Icon
To Next Page IconTo Next Page
To Next Page IconTo Next Page
To Previous Page IconTo Previous Page
To Previous Page IconTo Previous Page
Loading...
Safety
Information
Product
Information
Mechanical
Installation
Electrical
Installation
Getting
Started
Menu 0
Running
the motor
Optimisation Macros
Advanced
Parameters
Technical
Data
Diagnostics
UL Listing
Information
Unidrive User Guide 169
Issue Number: 9 www.controltechniques.com
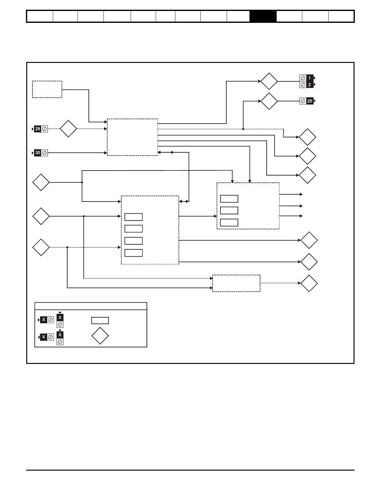
10.15 Menu 15: Regen
Menu 15 is only available when Regen mode is selected. See the
Unidrive Regen Installation Guide for more information.
Figure 10-19 Menu 15 logic diagram
15.04
DC Bus
voltage
15.01
Supply current
magnitude
15.02
Supply voltage
Regen current and
voltage controllers
15.07
DC Bus voltage
set-point
15.21
Voltage
gain
15.19
Current control
proportional gain
15.20
Current control
integral gain
15.15
Soft start
contactor
is closed
Enable
Regen sequencer
Modulation
15.08
Switching
frequency
15.09
High stability space
vector modulation
15.10
Quasi-square
operation select
Sequencer
Menu 6
15.05
Supply
frequency
15.06
Input
inductance
15.03
Supply
power
Power calculations
V x I x 3
15.12
Sinusoidal rectifier
synchronised
Sinusoidal rectifier
synchronising
Sinusoidal rectifier
phase loss
15.11
15.13
U
V
W
15.14
C
lose so
f
t
start contactor
Enable motoring
Drive
15.16
0.XX
0.XX
Key
Read-write (RW)
parameter
Read-only (RO)
parameter
Input
terminals
Output
terminals
Contactor
closed
The parameters are all shown at their default settings

Table of Contents

Related product manuals