EasyManua.ls Logo

Cooper F6-PA-LS - Electrical Closing - Motor-Operated

Cooper F6-PA-LS
48 pages
Print Icon
To Next Page IconTo Next Page
To Next Page IconTo Next Page
To Previous Page IconTo Previous Page
To Previous Page IconTo Previous Page
Loading...
Electrical Closing – Motor-Operated
Low Voltage Closing Solenoid / NOVA
Reclosers
High-voltage is not required for reclosers utilizing a motor-
operated closing mechanism, low voltage closing, or
NOVA recloser. For information on energizing the recloser,
refer to the appropriate recloser installation manual. Low
voltage supply can use either 120 or 240 VAC for input
power. Check the name plate on the recloser to verify the
correct closing power requirements.
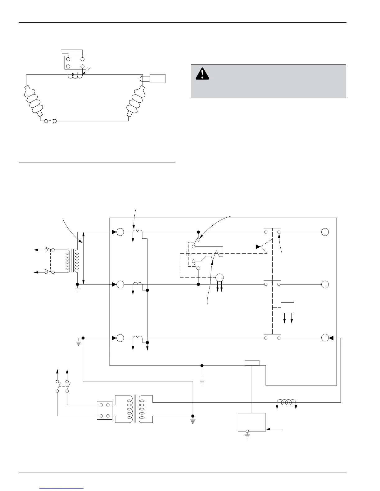
Figure 35 shows a test circuit for motor-operated, low-
voltage solenoid-closing, and NOVA reclosers. Since these
reclosers require only a low voltage source for closing,
high-voltage transformer T3 and its protective cage is
eliminated. All other equipment is the same as the test
equipment shown in Figure 34.
Form 6-LS Pole Mount Recloser Control Installation and Operation Instructions
40
WARNING: Hazardous voltage. Solidly ground
all equipment. Failure to comply can result in
death, severe personal injury, and equipment damage.
T223.2
3
6
4
T3
Y
H*
X
Z
VOLTAGE RATING OF
RECLOSER CLOSING
SOLENOID COIL
SENSING CTs (3)
CLOSING
SOLENOID
CONTACTOR
ROTARY
SOLENOID
MAIN
CONTACTS (S)
G* K*
A* B*
E* F*
TO
240 OR
480 VAC
SOURCE
TO
240 VAC
SOURCE
CLOSING
SOLENOID
COIL
TRIP
SOLENOID
CONTROL
CABLE RECEPTACLE
W
FORM 6
CONTROL
TO
AMMETER AND RELAY TO
OPERATE CYCLE COUNTER
OR OTHER TIMING DEVICE
AC POWER
VARIABLE
AUTOTRANSFORMER
240 VAC
20 AMPS
T2
1
2
5
J*
T1
*Indicates control cable receptacle pin/socket designation.
Figure 34.
Suggested test circuit for high voltage “shop-testing” solenoid-closing reclosers.
600:5
Recloser
BCT ON 600:5 Tap
Note: This test circuit
can apply over
800 Amps to the
recloser.
Note: Use at least 2/0
cable between
bushings.
2
1
115Vac
Variable
Autotransformer
(10 Amp)
Clamp-On
Ammeter
Figure 33.
Alternate method of producing variable line current
(substitute for T2 and W-X circuit in Figures 34 and
35).

Related product manuals