EasyManua.ls Logo

Cotech LS5T-52 - Page 56

Cotech LS5T-52
60 pages
Print Icon
To Next Page IconTo Next Page
To Next Page IconTo Next Page
To Previous Page IconTo Previous Page
To Previous Page IconTo Previous Page
Loading...
56
DEUTSCH
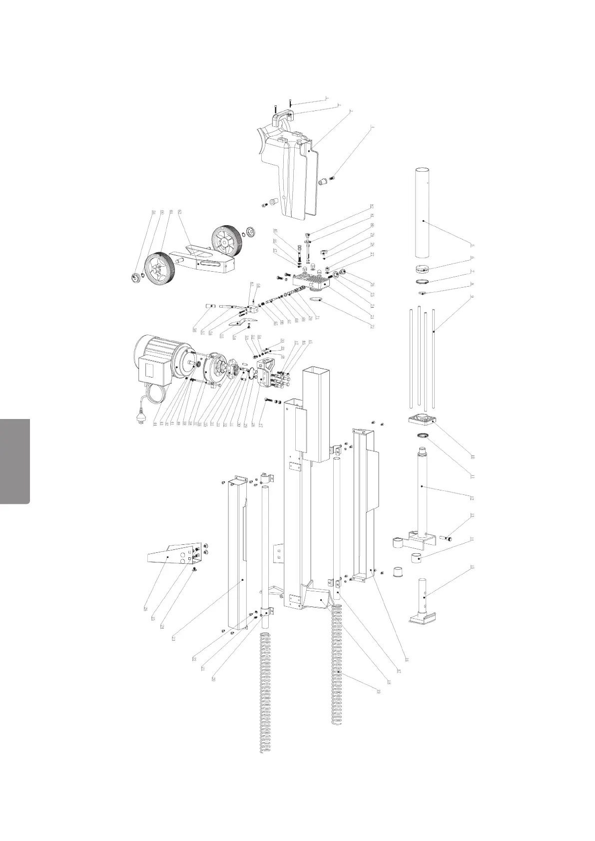
Explosionszeichnung

Related product manuals