EasyManua.ls Logo

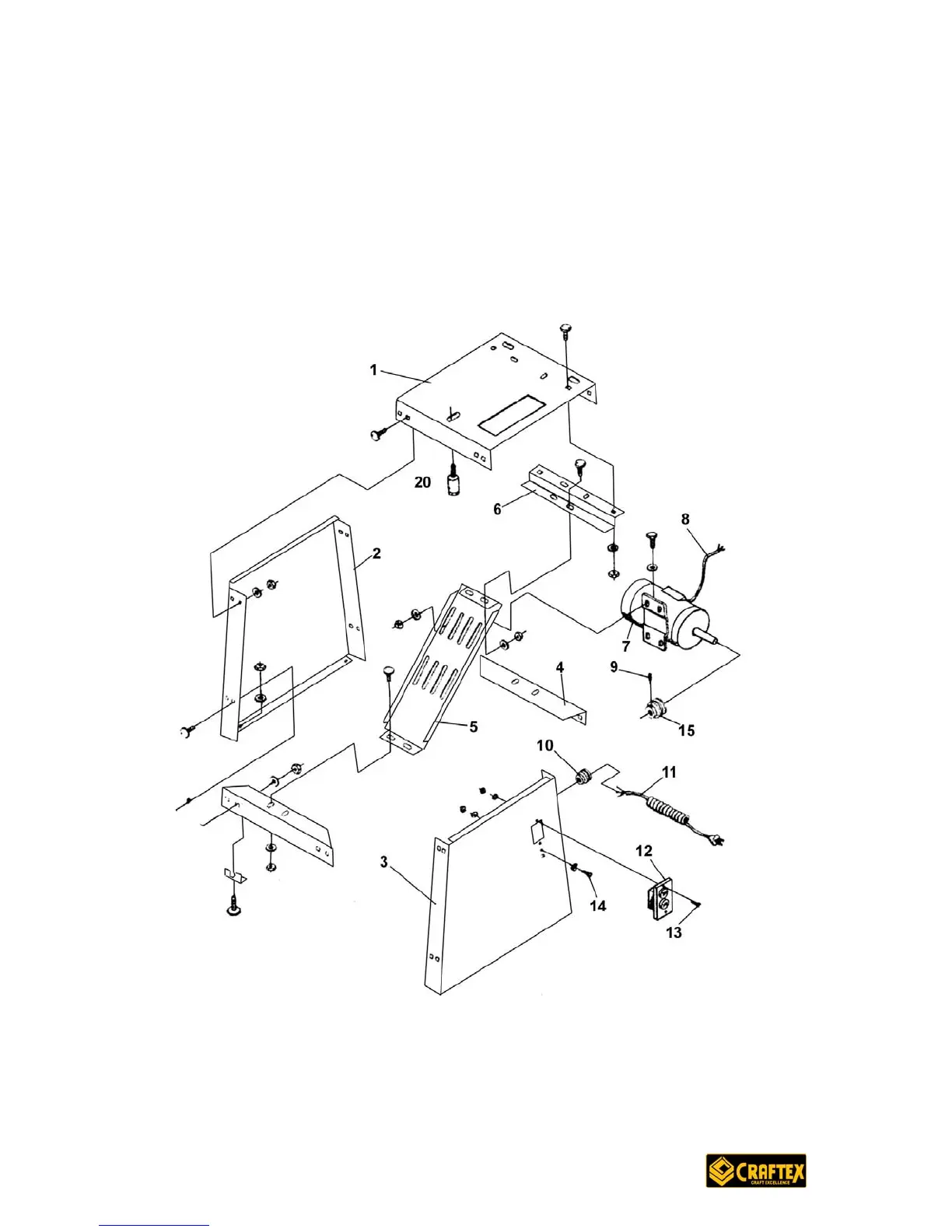
Craftex B1012 - Base Schematic Diagram

Craftex B1012
23 pages
Print Icon
To Next Page IconTo Next Page
To Next Page IconTo Next Page
To Previous Page IconTo Previous Page
To Previous Page IconTo Previous Page
Loading...
16
B1012 MEAT CUTTING BAND SAW
Base Schematic Drawing

Related product manuals