EasyManua.ls Logo

Craftsman 486.242221 - Repair Parts List

Craftsman 486.242221
20 pages
Print Icon
To Next Page IconTo Next Page
To Next Page IconTo Next Page
To Previous Page IconTo Previous Page
To Previous Page IconTo Previous Page
Loading...
16
PARTS
C
C
D
D
E
E
15
14
16
39
17
18
19
47
56
55
56
20
41
28
30
31
55
25
26
35
38
23
26
24
29
40
14
8
34
4
22
37
21
37
20
64
76
75
28
2
11
12
13
59
33
58
59
68
51
50
69
57
67
65
59
1
9
27
32
6
3
7
5
77
28
70
59
52
75
43
42
44
48
45
72
73
75
75
44
72
70
54
74
46
53
46
53
10
74
17
71
42
44
43
A
61
63
B
A
60
49
62
63
58
66
B
59
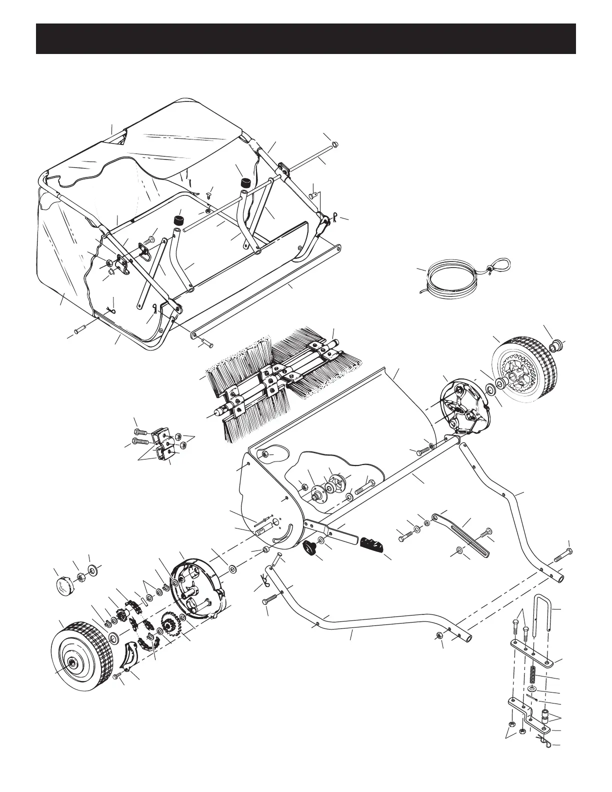
REPAIR PARTS LIST FOR MODELS 486.242221, 486.242241
42" HIGH PERFORMANCE LAWNSWEEPER

Related product manuals