EasyManua.ls Logo

Craftsman 917.276021 - Transaxle System Diagram

Craftsman 917.276021
60 pages
Print Icon
To Next Page IconTo Next Page
To Next Page IconTo Next Page
To Previous Page IconTo Previous Page
To Previous Page IconTo Previous Page
Loading...
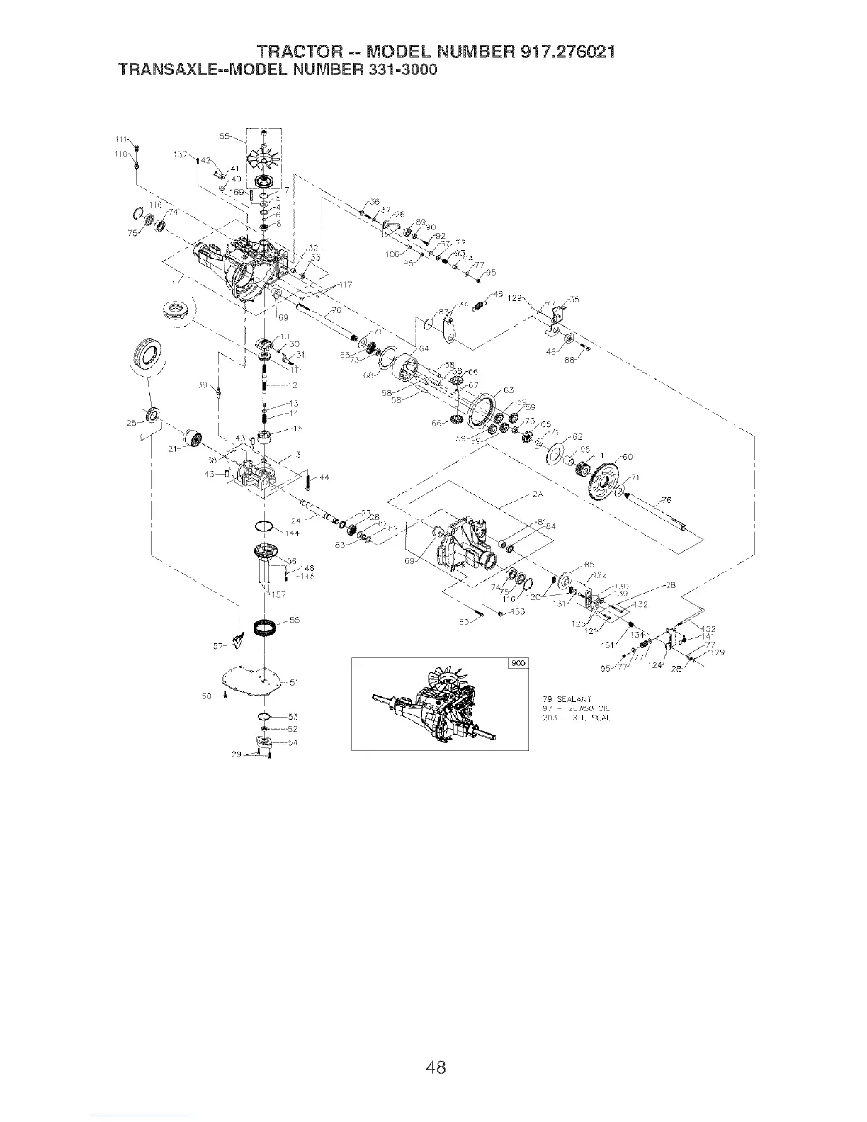
TRACTOR ooMODEL NUMBER 917.276021
TRANSA×LE==MODELNUMBER331-3000
i
59\ t _13
_14
_15
\
j65
,22
80_ 12
/21
95
79 $£ALAN 1
97 20W50 OIL
205 KIT, S_AL
48

Table of Contents

Related product manuals