EasyManua.ls Logo

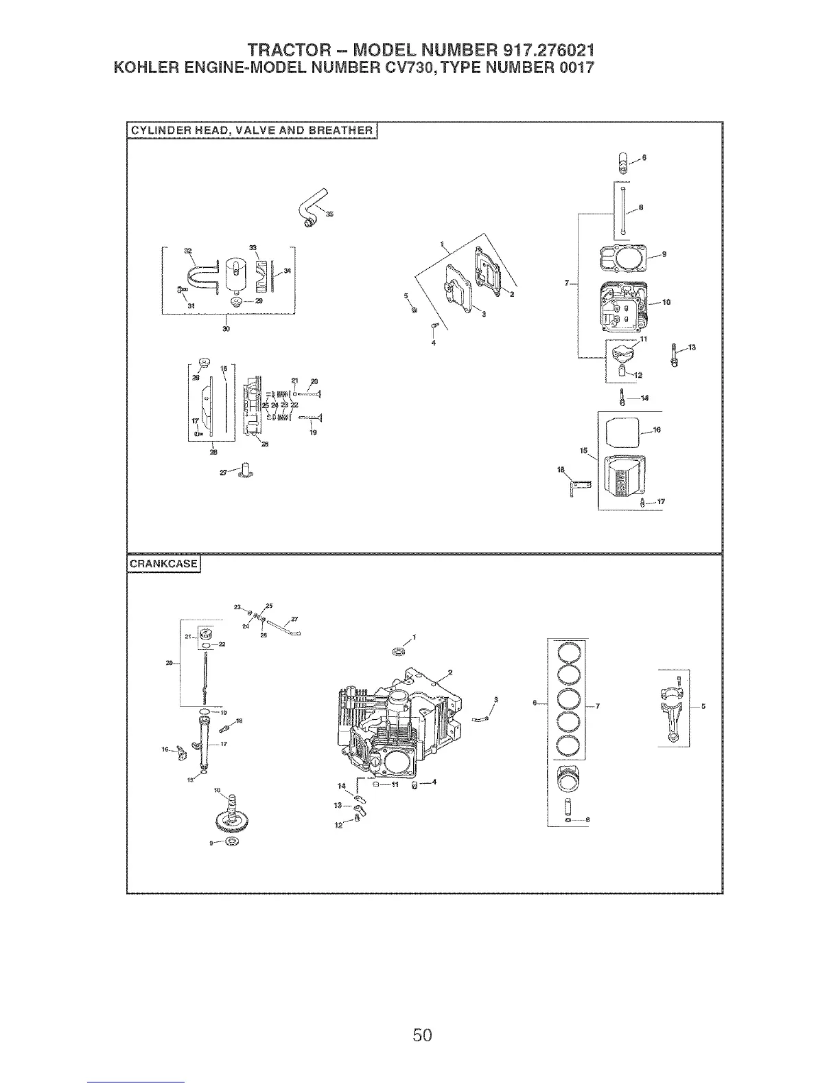
Craftsman 917.276021 - Kohler Engine - Cylinder Head and Crankcase; Cylinder Head, Valve, and Breather; Crankcase Assembly

Craftsman 917.276021
60 pages
Print Icon
To Next Page IconTo Next Page
To Next Page IconTo Next Page
To Previous Page IconTo Previous Page
To Previous Page IconTo Previous Page
Loading...
TRACTOR oo MODEL NUMBER 917.276021
KOHLER ENGmNE=MODEL NUMBER CV730,TYPE NUMBER 0017
CYLINDER HEAD, VALVE AND BREATHER i
31
30
5
7--
CRANKCASEJ
23_ 5
13 _:5
12j_
,/,1
9
3
/
,¢_%j
°- X_7
0
5O

Table of Contents

Related product manuals