EasyManua.ls Logo

CTC Union ETU-01A - Page 104

CTC Union ETU-01A
144 pages
Print Icon
To Next Page IconTo Next Page
To Next Page IconTo Next Page
To Previous Page IconTo Previous Page
To Previous Page IconTo Previous Page
Loading...
Chapter 5. Loop Back and BERT Testing
98
November 2001
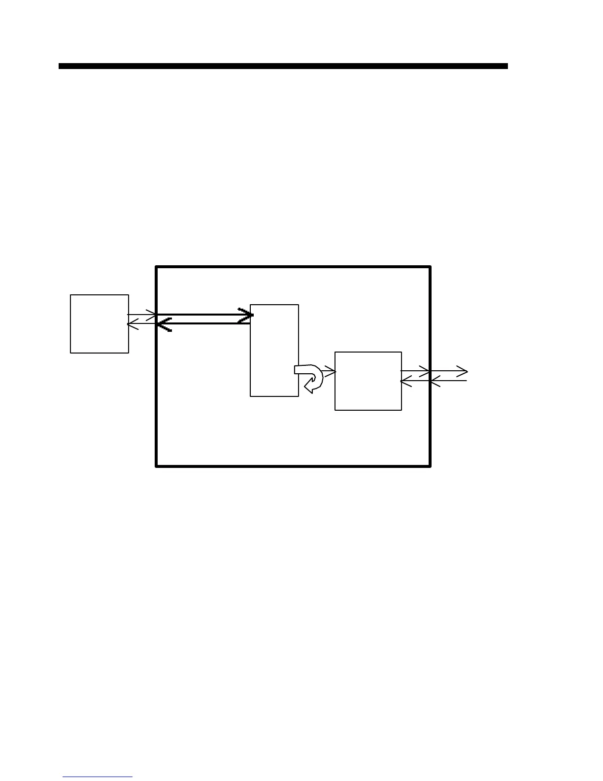
Data Port local analog loop back.
Data Port local analog loop back is performed by connecting the
data channel transmit data (TD) to the input of the receive path
(RD) before the CSU, as shown in Figure 5-6. The test signal is
provided by the local DTE.
Figure 5-6. Data Port local analog loop back
User
DTE
Data
Port
E1
E1 LINE
LOCAL ETU-01A
DSU
CSU

Other manuals for CTC Union ETU-01A