EasyManua.ls Logo

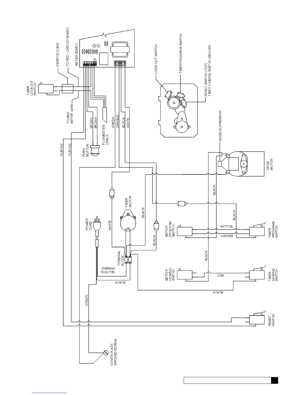
Culligan MARK 89 - Soft-Minder Meter Wiring Schematic

Culligan MARK 89
27 pages
Print Icon
To Next Page IconTo Next Page
To Next Page IconTo Next Page
To Previous Page IconTo Previous Page
To Previous Page IconTo Previous Page
Loading...
WIRING SCHEMATIC 19
Timer with Soft-Minder
®
Meter

Other manuals for Culligan MARK 89

Related product manuals