EasyManua.ls Logo

Culligan MARK 89 - Bypass Valve Installation Methods; Sweat Adaptor Installation Method

Culligan MARK 89
27 pages
Print Icon
To Next Page IconTo Next Page
To Next Page IconTo Next Page
To Previous Page IconTo Previous Page
To Previous Page IconTo Previous Page
Loading...
CAUTION: When making sweat connections, remove all plastic and rubber
components which contact brass or copper. Damage to these components may
result otherwise.
BYPASS VALVE INSTALLATION - TIME CLOCK UNITS ONLY
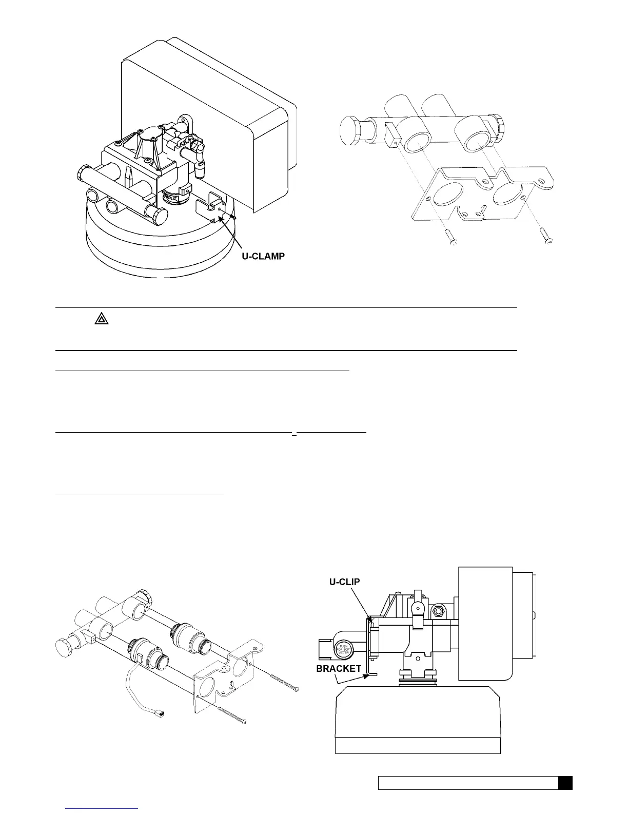
The bypass valve connects directly to the backplate of the valve with a pair of screws (Fig. 3). To facilitate this
connection, remove the plate by pulling up on the u-clip on the back of the valve. Lubricate all o-rings with silicon
lubricant.
BYPASS VALVE INSTALLATION - SOFT-MINDER
®
METER ONLY
The Soft-Minder meter is placed between the bypass valve and the control (Fig. 4). Make sure the meter is on the
outlet port of the control. A pair of elongated bolts are packaged with the meter to hold the bypass valve to the
back plate of the control. Lubricate all o-rings with silicon lubricant.
SWEAT ADAPTOR INSTALLATION
The sweat adaptors use a snap ring to hold them to the backplate of the control valve. The back plate will need to
be removed from the valve for this connection. A pair of snap ring pliers, PN 00-5916-09, are needed for this
connection.
INSTALLATION 7
FIG. 2
FIG. 3
FIG. 5
FIG. 4

Other manuals for Culligan MARK 89

Related product manuals