EasyManua.ls Logo

Daewoo 14C5 - Latch Circuit; TV Start-Up, TV Normal Run and Stand by Mode Operations

Daewoo 14C5
43 pages
Print Icon
To Next Page IconTo Next Page
To Next Page IconTo Next Page
To Previous Page IconTo Previous Page
To Previous Page IconTo Previous Page
Loading...
21
8-2-3. STR-F6653 protection circuits
overcurrent protection function (OCP)
Overcurrent protection is performed pulse by pulse detecting at STR-F6653 pin 1 (OCP) the peak of the MOSFET drain current
in every pulse.
latch circuit
This circuit sustains an output low from the STR-F6653 internal oscillator and stops operation of the power supply when over-
voltage protection (OVP) and thermal shutdown (TSD) circuit are in operation
thermal shutdown circuit (TSD)
This circuit triggers the latch circuit when the frame temperature of STR-F6653 IC exceeds 140
°
C
overvoltage protection circuit (OVP)
This circuit triggers the latch circuit when the V
in
voltage exceeds 22V (typ.)
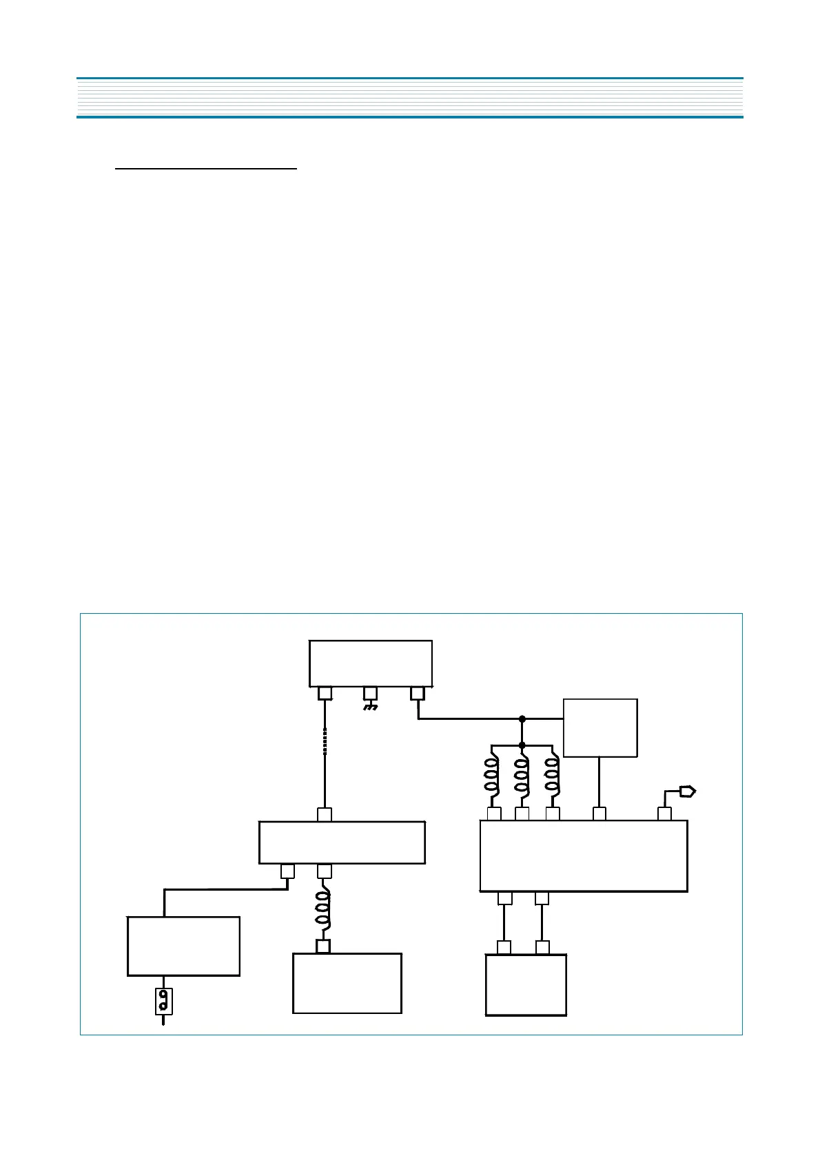
9. TV start-up, TV normal run and stand by mode operations
9-1. TV start-up operations
9-1-1. Schematic diagram for start-up operations
I823 REG 3.3V
IN
GND
OUT
1
2 3
RESET
PULSE
CIRCUIT
IN
OUT
63
6054
5661
L511
L510
L512
Vddc
VddA
Reset N
Power
I501
MICROCONTROLLER PART
SCL
SDA
3
2
56
3
4
2
D
I801 MOSFET AND
CONTROL IC
I702
EEPROM
SW801
POWER SWITCH
D801... D804
(GRAETZ BRIDGE)
L801
T801 SMPS TRANSFORMER
12
8V
Vddp
APPENDIX
FUNCTIONAL DESCRIPTION