EasyManua.ls Logo

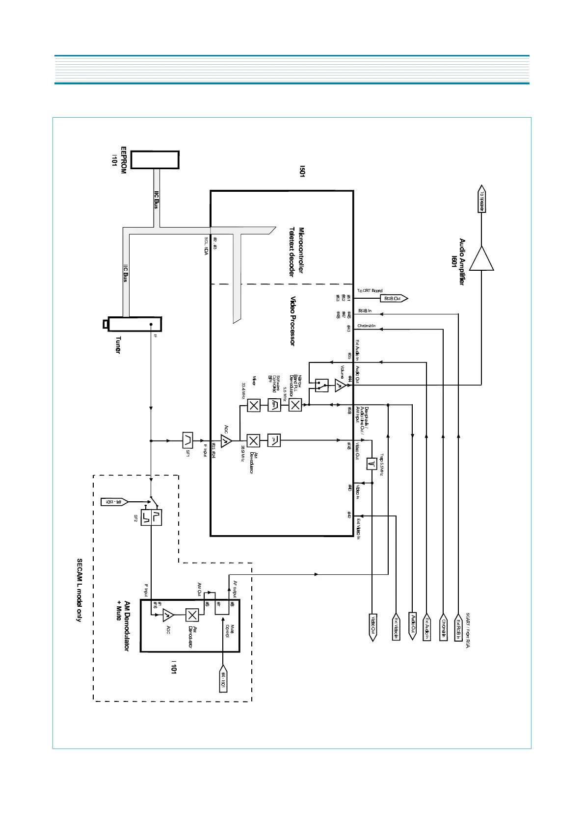
Daewoo 14C5 - Circuit Block Diagram

Daewoo 14C5
43 pages
Print Icon
To Next Page IconTo Next Page
To Next Page IconTo Next Page
To Previous Page IconTo Previous Page
To Previous Page IconTo Previous Page
Loading...
2
CIRCUIT BLOCK DIAGRAM