EasyManua.ls Logo

Daewoo 14C5 - Page 32

Daewoo 14C5
43 pages
Print Icon
To Next Page IconTo Next Page
To Next Page IconTo Next Page
To Previous Page IconTo Previous Page
To Previous Page IconTo Previous Page
Loading...
30
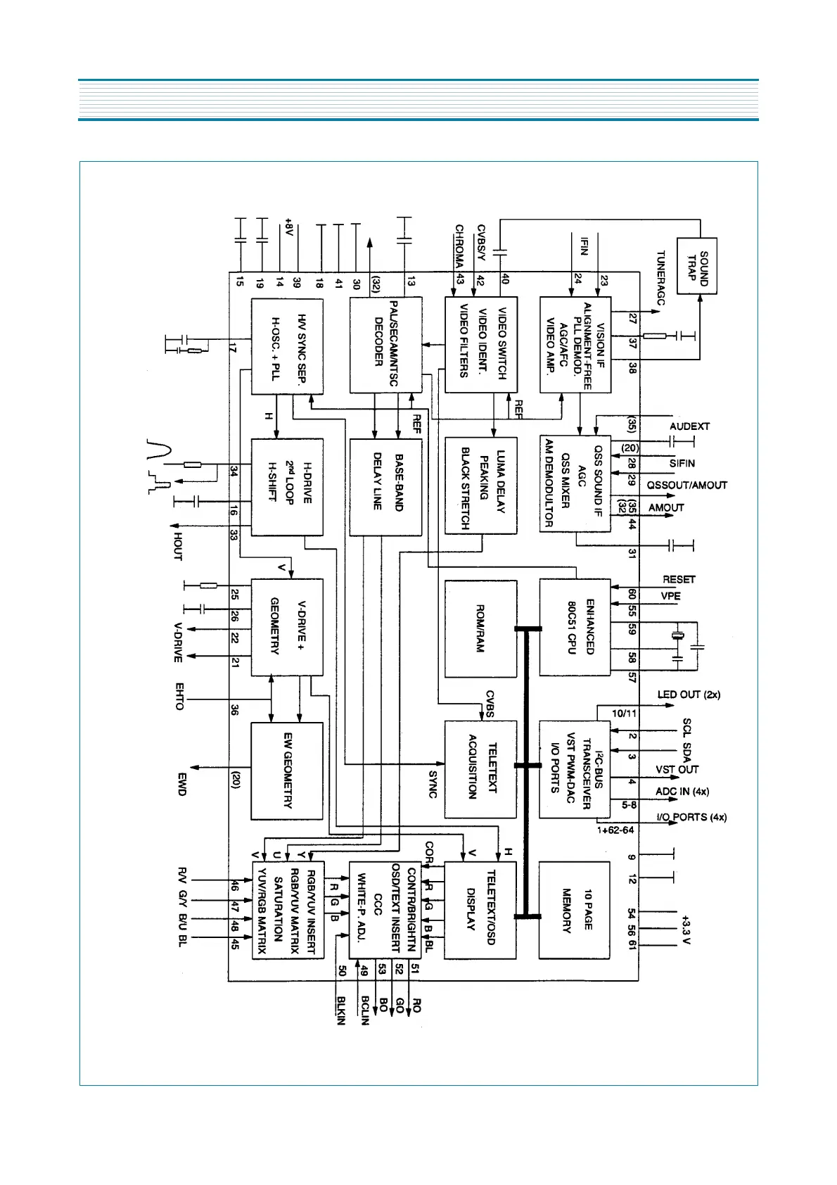
IC DESCRIPTION
APPENDIX