EasyManua.ls Logo

Daewoo 14C5 - Page 42

Daewoo 14C5
43 pages
Print Icon
To Next Page IconTo Next Page
To Next Page IconTo Next Page
To Previous Page IconTo Previous Page
To Previous Page IconTo Previous Page
Loading...
40
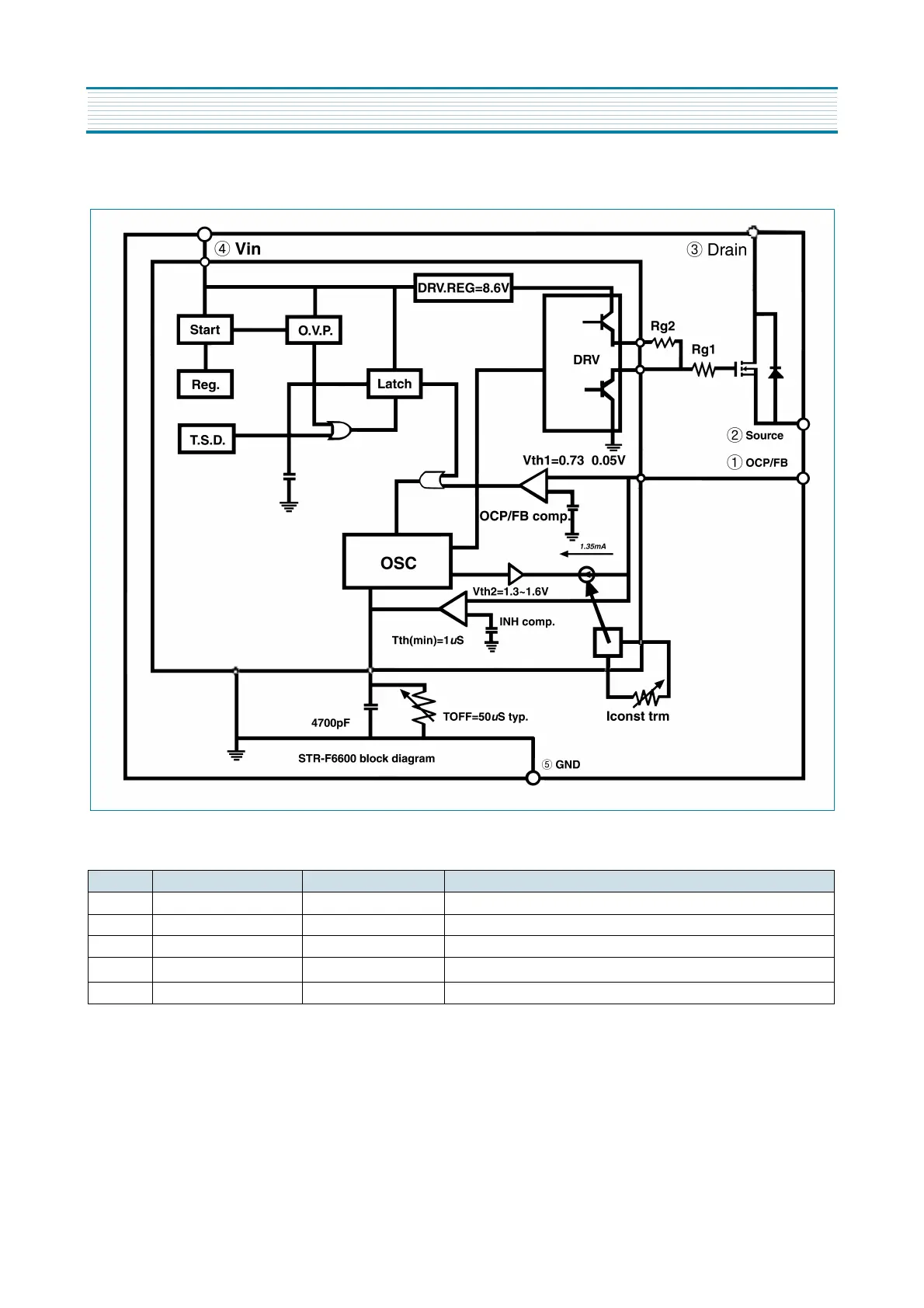
7-3. Block diagram
7-4. pin description
PIN NAME SYMBOL DESCRIPTION
1 Overcurrent feedback O.C. P/E.B. Input of over current detection signal and feedback signal
2 Source S Mosfet source
3 Drain D Mosfet drain
4 Supply
V
IN
Input of power supply for control circuit
5 Ground GND Ground
IC DESCRIPTION
APPENDIX