EasyManua.ls Logo

Daewoo DTE-28 - DVD Player; Video Recorder

Daewoo DTE-28
24 pages
Print Icon
To Next Page IconTo Next Page
To Next Page IconTo Next Page
To Previous Page IconTo Previous Page
To Previous Page IconTo Previous Page
Loading...
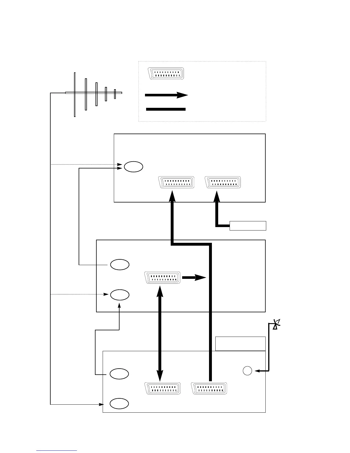
Typical connections for a satellite receiver with three scart sockets, a video recorder and other equipment
Television
21
This is a scart socket
Arrows show the direction
the signal will flow through the wires.
Thick lines represent scart cables.
DVD player
Aerial in
Television aerial
Aerial cable
Aerial out
Aerial in
Aerial out
Aerial in
Scart AV1
SCART socket
Scart cable
Aerial cable
Scart cable
Scart AV2
Video recorder
VCR TV
Satellite or
digital receiver
Connect the scart cable
here for a television with
a video recorder only.
Connect the aerial here for
a television alone.
Connect the aerial here
for a television with a
video recorder and digital
or satellite receiver.
Connect the aerial here
for a television with a
video.
Satellite
dish
input

Related product manuals