EasyManua.ls Logo

Daewoo DTF-2950-100D - Video & Stereo Audio Block Diagram

Daewoo DTF-2950-100D
92 pages
Print Icon
To Next Page IconTo Next Page
To Next Page IconTo Next Page
To Previous Page IconTo Previous Page
To Previous Page IconTo Previous Page
Loading...
CP-850FX Service Manual
Europe R&D
45
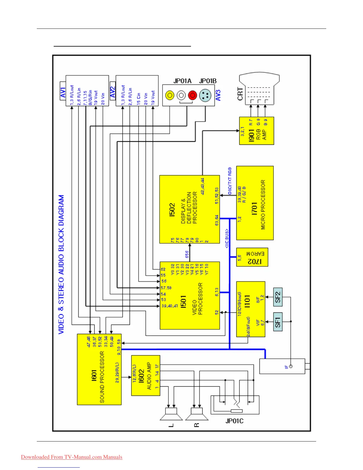
5.2 VIDEO & STEREO AUDIO BLOCK DIAGRAM
Downloaded From TV-Manual.com Manuals

Table of Contents

Related product manuals