EasyManua.ls Logo

Daewoo G424 LP - Exhaust Manifold and Water Pump; Removal and Installation

Daewoo G424 LP
199 pages
Print Icon
To Next Page IconTo Next Page
To Next Page IconTo Next Page
To Previous Page IconTo Previous Page
To Previous Page IconTo Previous Page
Loading...
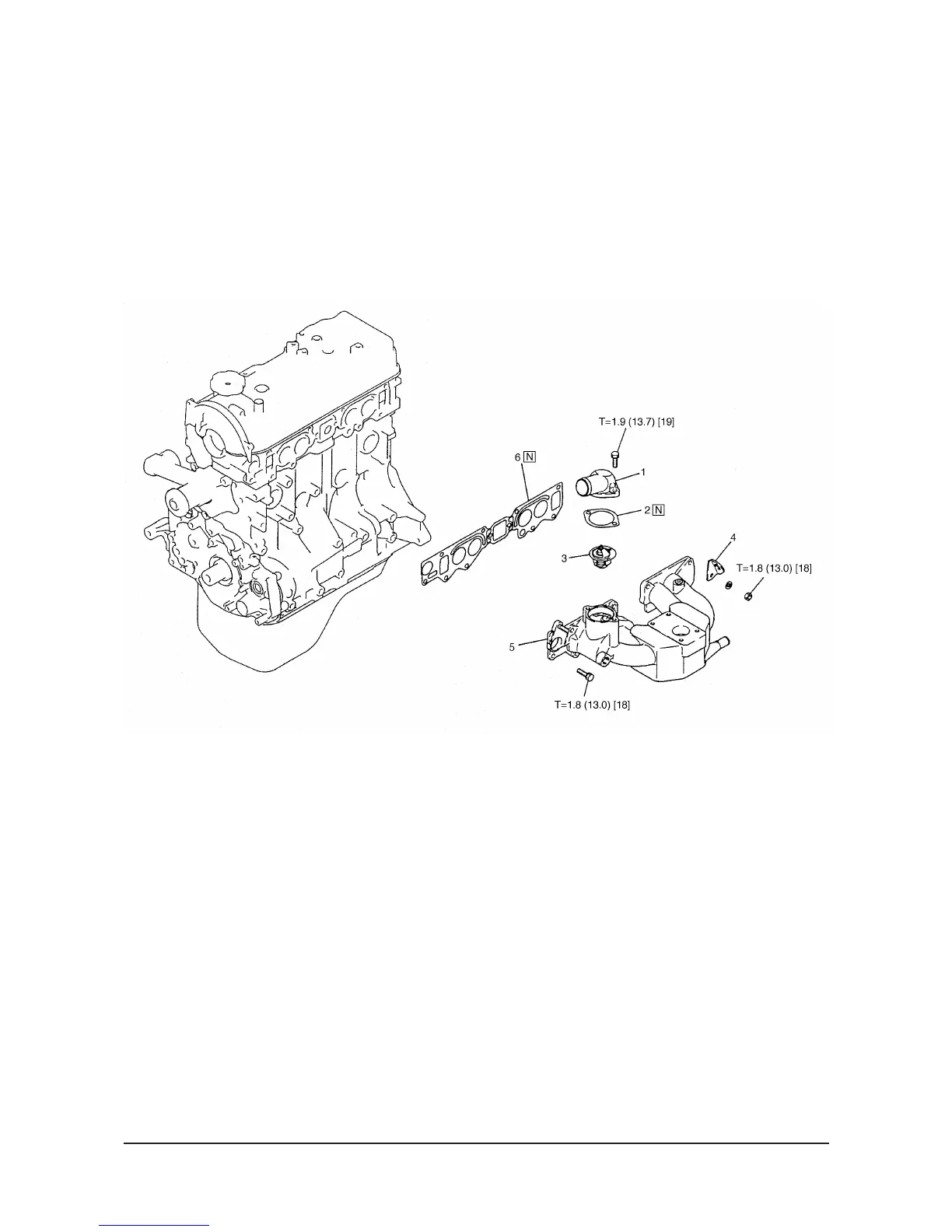
G424 Service Manual Base Engine Service Procedure129
Removal steps
1. Water outlet
2. Gasket
3. Thermostat
4. Engine hanger
5. Intake manifold
6. Gasket
Intake Manifold
Removal and Installation
6EN1894

Table of Contents

Related product manuals