EasyManua.ls Logo

Daewoo G424 LP - Removal and Installation

Daewoo G424 LP
199 pages
Print Icon
To Next Page IconTo Next Page
To Next Page IconTo Next Page
To Previous Page IconTo Previous Page
To Previous Page IconTo Previous Page
Loading...
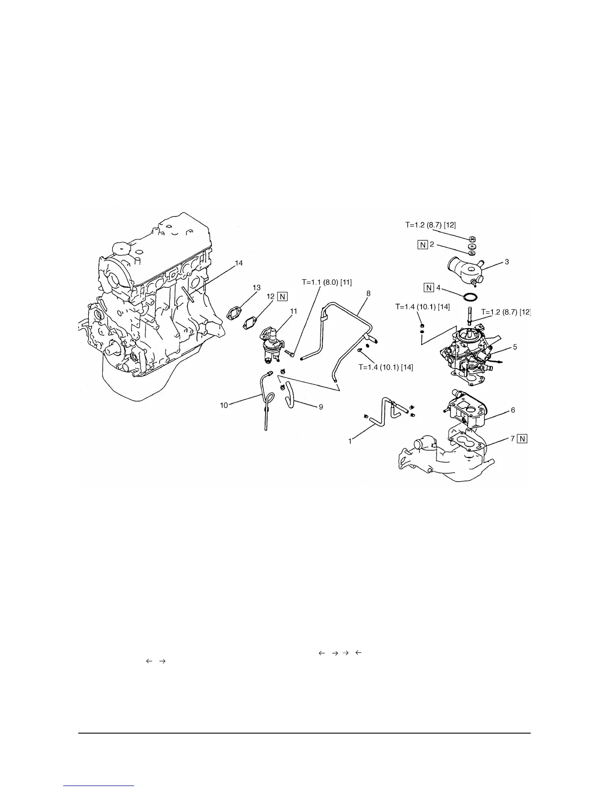
G424 Service Manual Gasoline Fuel System64
Removal and Installation
Removal steps
1. Return set hose assembly
2. Oil seal
3. Air horn
4. Gasket
5. Carburetor
6. Air governor
7. Gasket
8. Fuel pipe
9. Fuel hose
10. Fuel pipe
11. Fuel pump
12. Gasket
13. Insulator
14. Push rod
AB
A
6EN1893

Table of Contents

Related product manuals