EasyManua.ls Logo

Daewoo G424 LP - Cylinder Head And Valves; Removal and Installation

Daewoo G424 LP
199 pages
Print Icon
To Next Page IconTo Next Page
To Next Page IconTo Next Page
To Previous Page IconTo Previous Page
To Previous Page IconTo Previous Page
Loading...
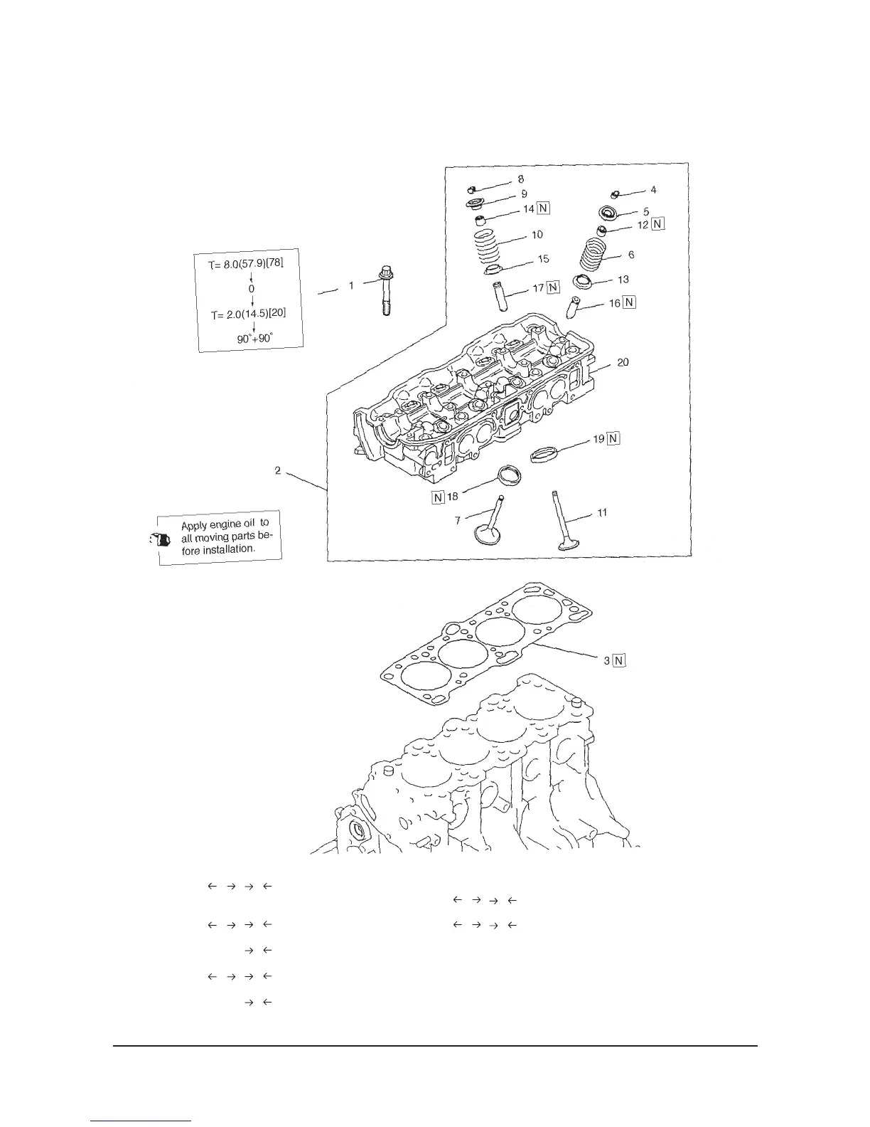
G424 Service Manual Base Engine Service Procedure139
Cylinder Head And Valves
Removal and Installation
Removal steps
1. Cylinder head bolt
2. Cylinder head assembly
3. Cylinder head gasket
4. Retainer lock
5. Valve spring retainer
6. Valve spring
7. Intake valve
8. Retainer lock
9. Valve spring retainer
10. Valve spring
11. Exhaust valve
12. Valve stem seal
13. Valve spring seat
14. Valve stem seal
15. Valve spring seat
16. Intake valve guide
17. Exhaust valve guide
18. Intake valve seat
19. Exhaust valve seat
20. Cylinder head
A
A
C
C
D
C
B
C
B
A
B
B
6EN1897

Table of Contents

Related product manuals