EasyManua.ls Logo

Daewoo G424E - Wiring Diagram and Pinouts

Daewoo G424E
88 pages
Print Icon
To Next Page IconTo Next Page
To Next Page IconTo Next Page
To Previous Page IconTo Previous Page
To Previous Page IconTo Previous Page
Loading...
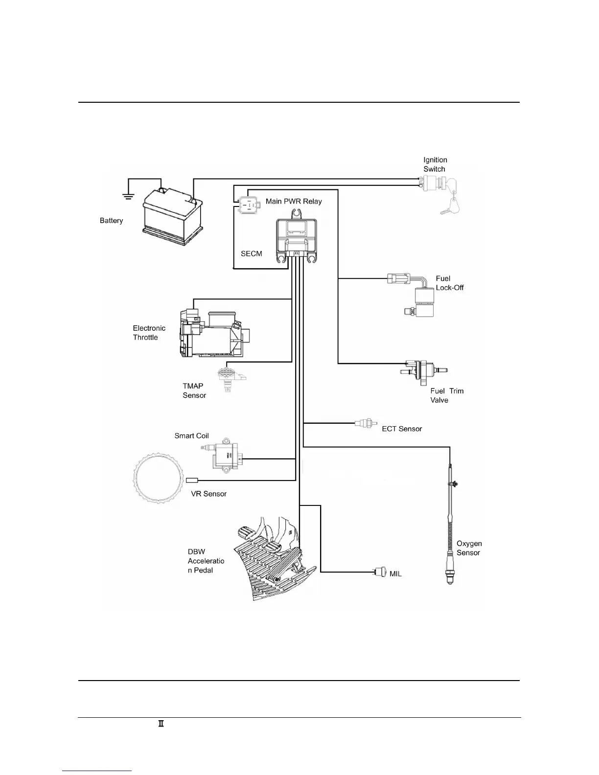
G420E/G424E Tier LP Engine Electrical Connections 60
CHAPTER 6 MI-04 ELECTRICAL CONNECTIONS
Figure E1

Table of Contents

Related product manuals