EasyManua.ls Logo

Dahua DH-XVR5216A-X - Page 327

Dahua DH-XVR5216A-X
327 pages
Print Icon
To Previous Page IconTo Previous Page
To Previous Page IconTo Previous Page
Loading...
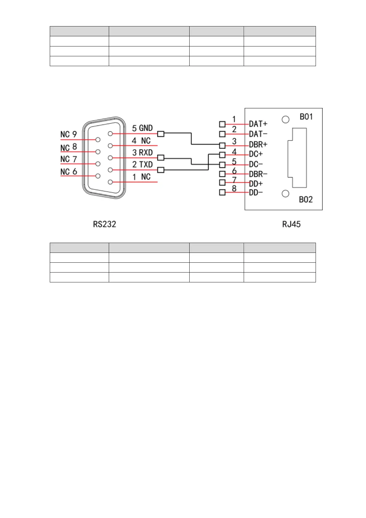
RJ45-RS232 Connection Cable Definition 315
RJ45 (T568B)
RJ45 (Network cable)
RS232
Signal Description
4
Blue
2
RXD
5
White and blue
3
TXD
3
White and green
5
GND
Straight Connection
Please refer to the following figure for straight cable connection information.
Please refer to the following table for straight connection information.
RJ45 (T568B)
RJ45 (Network cable)
RS232
Signal Description
4
Blue
3
RXD
5
White and blue
2
TXD
3
White and green
5
GND
ZHEJIANG DAHUA VISION TECHNOLOGY CO., LTD.
Address: No.1199, Bin'an Road, Binjiang District, Hangzhou, P.R. China
Postcode: 310053
Tel: +86-571-87688883
Fax: +86-571-87688815
Email: overseas@dahuatech.com
Website: www.dahuasecurity.com

Table of Contents

Related product manuals