EasyManua.ls Logo

Daikin DRC036 - Page 49

Daikin DRC036
56 pages
Print Icon
To Next Page IconTo Next Page
To Next Page IconTo Next Page
To Previous Page IconTo Previous Page
To Previous Page IconTo Previous Page
Loading...
49





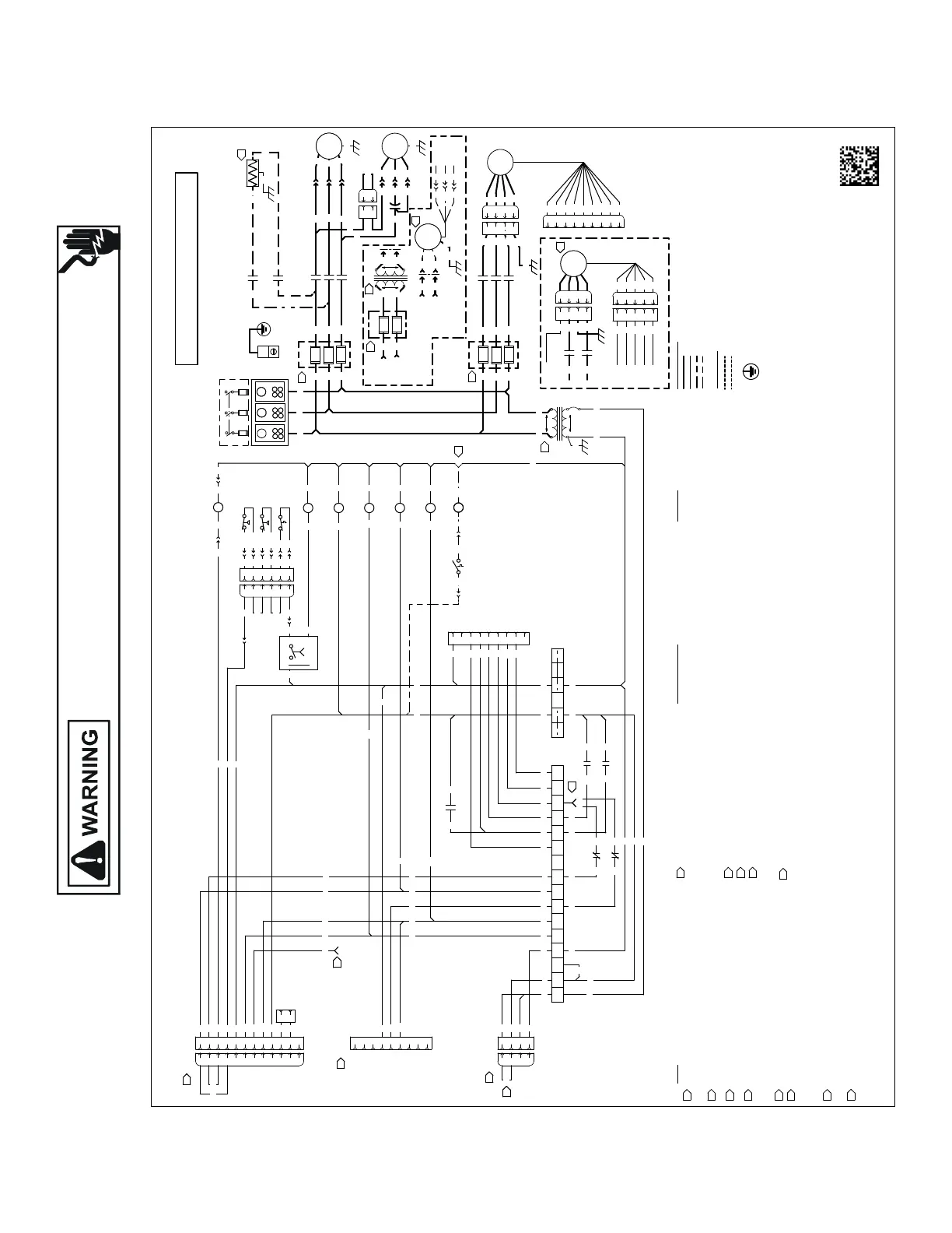
Wiring is subject to change. Always refer to the wiring diagram on the unit for the most up-to-date wiring.
CC
L1
L2
T3
COMP
L3
T1
T2
RD
BK
L3
L1
FC
CM
PB
L1
GND
L2 L3
LINE
VOLTAGE
PU
BR
BK
PU
BR
FB2
F2
F2
F2
BK
RD
OR
PU
BK
TR1
CB
GR
BK
RD
OR
BL
BK
RD
YL
L2
4
5
208-230/460/575V/3PH/60Hz
BC BLOWER CONTACTOR
BM BLOWER MOTOR
BR BLOWER RELAY
CB CIRCUIT BREAKER
CC COMPRESSOR CONTACTOR
CCH CRANKCASE HEATER
CCP COMPRESSOR/COIL PROTECTION
CHR CRANKCASE HEATER RELAY
CHS CRANKCASE HEATER SWITCH
CM CONDENSER MOTOR
COMP COMPRESSOR
CS COMPRESSOR SOLENOID (STAGE 2)
ECON ECONOMIZER
EHK ELECTRIC HEATER KIT
ES EMERGENCY SHUTDOWN
FB FUSE BLOCK
FC FAN CAPACITOR
FPS FREEZE PROTECTION SWITCH
GND EQUIPMENT GROUND
HPS HIGH PRESSURE SWITCH
LPS LOW PRESSURE SWITCH
MAT MIXED AIR TEMPERATURE SENSOR
PB POWER DISTRIBUTION BLOCK
PLF FEMALE PLUG/CONNECTOR
PLM MALE PLUG/CONNECTOR
TB TERMINAL BLOCK
TON ON - DELAY TIMER RELAY
TR TRANSFORMER
GR
BK
RD
OR
L1
L2
L3
GR
BM
PLF2 PLM2
FB1
F1
F1
F1
5
BK
RD
OR
BK
PU
BM
PLM1
BL
RD
GY
GR
YL
PU
WH
BR
BK
BM
PLF1
E
REPLACEMENT WIRE MUST BE SAME SIZE AND TYPE OF INSULATION AS
ORIGINAL (AT LEAST 105° C). USE COPPER CONDUCTORS ONLY. USE
N.E.C. CLASS 2 WIRE FOR ALL LOW VOLTAGE FIELD CONNECTIONS.
IF OPTIONAL ECONOMIZER IS INSTALLED REMOVE ECON PLM JUMPER
AND PLUG IN NEW HARNESS FROM ECONOMIZER KIT.
IF OPTIONAL ELECTRIC HEAT IS INSTALLED PLUG IN NEW HARNESS
FROM ELECTRIC HEATER KIT.
TR1 PRIMARY (HIGH VOLTAGE) CONNECTIONS: ORANGE WIRE
CONNECTED TO 240/460/575V TAP AT THE FACTORY AND BLACK WIRE
TO COM TERMINAL. FOR 208V SUPPLY POWER, MOVE ORANGE WIRE
FROM 240V TAP TO THE 208V TAP.
FUSE BLOCKS 1, 2, & 3 ARE OPTIONAL.
IF OPTIONAL SAFETY EQUIPMENT SUCH AS A PHASE MONITOR, FLOAT
SWITCH OR SMOKE DETECTOR IS INSTALLED, UNPLUG JUMPER PLUG
AND PLUG IN SAFETY DEVICE. IF MULTIPLE SAFETIES ARE INSTALLED,
PLUG IN THE ADDITIONAL DEVICES IN SERIES. PLUG IN JUMPER PLUG AT
THE LAST SAFETY DEVICE INSTALLED.
IF A THIRD PARTY SAFETY DEVICE IS FIELD INSTALLED, CUT THE RED
WIRE ON THE JUMPER PLUG AND WIRE A NORMALLY CLOSED DRY
CONTACT IN SERIES WITH THE CUT WIRE.
24 VAC ALARM OUTPUT FROM OPTIONAL ECONOMIZER CONTROL
MODULE.
ES
4
3
2
1
5
6A
BLACK
BLUE
BLUE WITH PINK STRIPE
BROWN
GREEN
GRAY
ORANGE
PINK
PURPLE
RED
TAN
WHITE
YELLOW
YELLOW WITH PINK STRIPE
BK
BL
BL/PK
BR
GR
GY
OR
PK
PU
RD
TN
WH
YL
YL/PK
HIGH VOLTAGE
LOW VOLTAGE
OPTIONAL HIGH VOLTAGE
OPTIONAL LOW VOLTAGE
 IRING
 IRING
HIGH VOLTAGE
LOW VOLTAGE
ENGEND
9
8
7
6
5
4
3
2
1
9
8
7
6
5
4
3
2
1
BK
PLF
PLM
CM
BK
L1
L2
T3
L3
T1
T2
OR
BK
RD
OR
COM
BK
RD
OR
BC


RD
7
8
2
1
2
1
4
3
2
1
4
3
2
1
GR
GR
M
3~
M
1~
M
3~
9
10
GR
Y1 (YELLOW) AND Y2 (PURPLE) ARE FACTORY WIRED
TO BLOWER SPEED TAPS T1 AND T3 RESPECTIVELY.
W1 (WHITE) AND W2 (BROWN) ARE FACTORY WIRED
TO BLOWER SPEED TAPS T2 AND T3 RESPECTIVELY. IF
DIFFERENT SPEEDS ARE NEEDED, SEE IO MANUAL
FOR FURTHER DETAIL ON BLOWER SPEED TAPS.
ALTERNATE 1 PHASE INDOOR BLOWER MOTOR.
ALTERNATE 2-SPEED ECM CONDENSER FAN MOTOR.
USED ON 575V MODEL
PRIMARY : 575V
SECONDARY : 230V
1KVA / 60 HERTZ
STANDARD COMPONENT ON 6 TON UNIT.
11
0140L07140
PLM
PLF
PU
TB1
W2
Y1
O
Y2
S2
R W1
C
S1
G
RD
PK
RD
12
YL
PU
PU
YL
BL
GR
WH
BL
WH
2
BR
3
6A
BRWH YL
PU
WH
RD
RD
PK
BL
BR
WH
YL
PU
DH T1 T2 T3 T4 T5
PU
PU
YL
GY
PU
YL
GR
PK
WH
BR
PUYLGR WH BR
CC
A1
A2
BLYL
HPS
LPS
PLF
PLM
BL
BL
YL
YL
BL/PK
YL/PK
YL/PK
BL/PK
YL
FPS
YL
BK
BK
BK
BK
YL
BC
A1 A2
BLPK
11
10
9
8
7
6
5
4
3
2
1
12
11
10
9
8
7
6
5
4
3
2
1
EHK
PLF
9
8
7
6
5
4
3
2
1
4
3
2
1
4
3
2
1
6
5
4
3
2
1
6
5
4
3
2
1
YL
TB2
BA C D
BL
BL
TON
t = 180s
R1
Y1
Y2
R2
BL
YL
YL
YL
BL
PK BL
BL
BL
BL
BR1
1
0
BR2
1
0
BR3
1
0
GR
YL
WH
BL
BL
BLGR
YL
WH
BR1
BL
2
4
PK
RD
PK
PK
7
GRGY
V1
V2
CS
BL
PU
YL
BL
GR
GR
MAT
PLF
BK
BK
PK
BK
GY
BL
GY
GR
RD
PU
YL
GR
WH
BR
PLM2PLF2
BM
PLM1
5
4
3
2
1
BM
BL
N
G
L
C
N
G
L
C
M
1~
TB2 - C,D
2
3
5
4
PU
YL
GR
WH
BR
1
PLF1
BM
TB1 - T1
TB1 - T2
TB1 - T3
TB1 - T4
TB1 - T5
9
1 PHASE BLOWER MOTOR
L1
L2
T1
T2
BC
BK
BK
RD
EARTH GROUND
12
2
1
RD
BL
PK
BR3
7 8
PU PU
BR
8
PK
WHYL
BR3
2
4
PU BR
BR2
2
4
BR2
7 8
BR BR
PU
WH
YL
PK
PK
PLF
PLM
PLF
ES
ECON
CCP
BM
6B
6B
12
CCH
BK
GR
RD BK
BK
CHR
CHR
2
4
6 8
12
CHR
1
0
CHS
PKRD RD
BL
CM
G
GR
M
1~
BK
BR
10
2-SPEED ECM MOTOR
1
2
3
COM
HIGH
LOW
TR
CM PLF-2
CC - T2
11
BK
BR
BK
PU
CC - A1
TB1 - Y2
3
2
YL
WH
TB2 - C,D
BL
1
YL
PU
BL
CM PLF-2*
CC - T2
BK
BR
L
N
230V & 460V
575V
FB3
F3
F3
5
BK
PU
YL

Related product manuals