EasyManua.ls Logo

Daikin DRC036 - Wiring Diagrams

Daikin DRC036
56 pages
Print Icon
To Next Page IconTo Next Page
To Next Page IconTo Next Page
To Previous Page IconTo Previous Page
To Previous Page IconTo Previous Page
Loading...
48





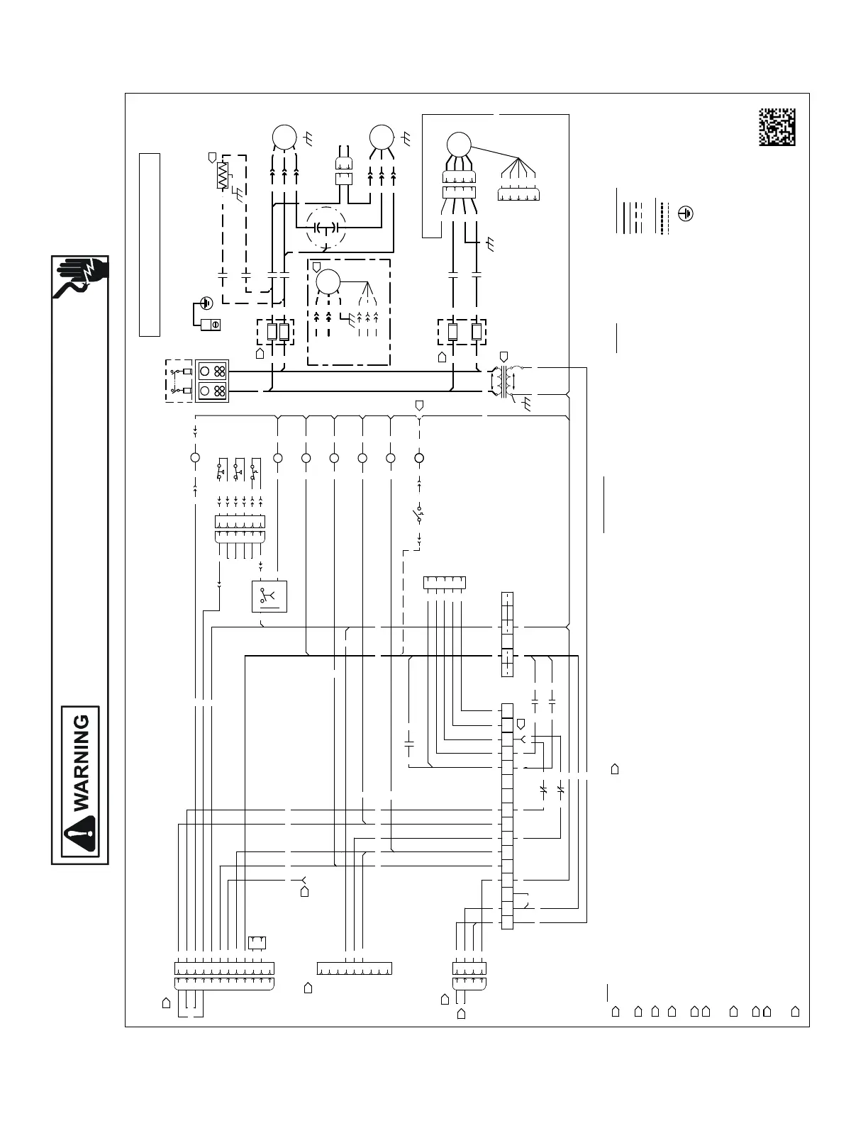
Wiring is subject to change. Always refer to the wiring diagram on the unit for the most up-to-date wiring.
PLM
PLF
PUYL
TB1
W2
Y1
O
Y2
S2
R W1
C
S1
G
RD
PK
RD
12
YL
PU
PU
YL
BL
GR
WH
BL
WH
2
BR
3
6A
BRWH YL
PU
WH
PLF
PLM
RD
RD
PK
BL
BRWH YL PU
DH T1 T2 T3 T4 T5
PU
PU
YL
GY
BK
PB
L1
GND
L2
LINE
VOLTAGE
FB1
F1
F1
BK
RD
BK
TR1
CB
GR
208-230V/1PH/60Hz
CC
L1
L2
COMP
T1
T2
BK
C
R
S
RD
2
3
5
4
PLF1
PU
YL
GR
PK
WH
BR
PUYLBK GR WH BR
CM
BR
RC
OR
GR
BK
GR
RD
FB2
F2
F2
5
BK
RD
RD
YL
BL
BR
BK
PU
COM
H
F
CC
A1
A2
BLYL
HPS
LPS
CCP
PLF
CCP
PLM
BL
BL
YL
YL
BL/PK
YL/PK
YL/PK
BL/PK
YL
FPS
YL
BK
BK
BK
BK
YL
PU
PU
BC
A1 A2
BLPK
4A
BK
BK
BC BLOWER CONTACTOR
BM BLOWER MOTOR
BR BLOWER RELAY
CB CIRCUIT BREAKER
CC COMPRESSOR CONTACTOR
CCH CRANKCASE HEATER
CCP COMPRESSOR/COIL PROTECTION
CHR CRANKCASE HEATER RELAY
CHS CRANKCASE HEATER SWITCH
CM CONDENSER MOTOR
CMC CONDENSER MOTOR CONTACTOR
COMP COMPRESSOR
CS COMPRESSOR SOLENOID (STAGE 2)
ECON ECONOMIZER
EHK ELECTRIC HEATER KIT
ES EMERGENCY SHUTDOWN
FB FUSE BLOCK
FPS FREEZE PROTECTION SWITCH
GND EQUIPMENT GROUND
HPS HIGH PRESSURE SWITCH
LPS LOW PRESSURE SWITCH
MAT MIXED AIR TEMPERATURE SENSOR
PB POWER DISTRIBUTION BLOCK
PLF FEMALE PLUG/CONNECTOR
PLM MALE PLUG/CONNECTOR
RC RUN CAPACITOR
TB TERMINAL BLOCK
TON ON - DELAY TIMER RELAY
TR TRANSFORMER
E
REPLACEMENT WIRE MUST BE SAME SIZE AND TYPE OF INSULATION AS ORIGINAL
(AT LEAST 105° C). USE COPPER CONDUCTORS ONLY. USE N.E.C. CLASS 2 WIRE FOR
ALL LOW VOLTAGE FIELD CONNECTIONS.
IF OPTIONAL ECONOMIZER IS INSTALLED REMOVE ECON PLM JUMPER AND PLUG IN
NEW HARNESS FROM ECONOMIZER KIT
IF OPTIONAL ELECTRIC HEAT IS INSTALLED PLUG IN NEW HARNESS FROM ELECTRIC
HEATER KIT.
TR1 PRIMARY (HIGH VOLTAGE) CONNECTIONS: ORANGE WIRE CONNECTED TO 240V
TAP AT THE FACTORY AND BLACK WIRE TO COM TERMINAL. FOR 208V SUPPLY
POWER, MOVE ORANGE WIRE FROM 240V TAP TO THE 208V TAP.
FUSE BLOCKS 1-2 ARE OPTIONAL
IF OPTIONAL SAFETY EQUIPMENT SUCH AS A PHASE MONITOR, FLOAT SWITCH OR
SMOKE DETECTOR IS INSTALLED, UNPLUG JUMPER PLUG AND PLUG IN SAFETY
DEVICE. IF MULTIPLE SAFETIES ARE INSTALLED, PLUG IN THE ADDITIONAL DEVICES
IN SERIES. PLUG IN JUMPER PLUG AT THE LAST SAFETY DEVICE INSTALLED.
IF A THIRD PARTY SAFETY DEVICE IS FIELD INSTALLED, CUT THE RED WIRE ON THE
JUMPER PLUG AND WIRE A NORMALLY CLOSED DRY CONTACT IN SERIES WITH THE
CUT WIRE.
24 VAC ALARM OUTPUT FROM OPTIONAL ECONOMIZER CONTROL MODULE.
Y1 (YELLOW) AND Y2 (PURPLE) ARE FACTORY WIRED TO BLOWER SPEED TAPS T1
AND T3 RESPECTIVELY. W1 (WHITE ) AND W2 (BROWN) ARE FACTORY WIRED TO
BLOWER SPEED TAPS T2 AND T3 RESPECTIVELY. IF DIFFERENT SPEEDS ARE
NEEDED, SEE IO MANUAL FOR FURTHER DETAIL ON BLOWER SPEED TAPS.
ALTERNATE 2-SPEED ECM CONDENSER FAN MOTOR.
ES
4
3
2
1
5
6A
BLACK
BLUE
BLUE WITH PINK STRIPE
BROWN
GREEN
GRAY
ORANGE
PINK
PURPLE
RED
TAN
WHITE
YELLOW
YELLOW WITH PINK STRIPE
BK
BL
BL/PK
BR
GR
GY
OR
PK
PU
RD
TN
WH
YL
YL/PK
HIGH VOLTAGE
LOW VOLTAGE
OPTIONAL HIGH VOLTAGE
OPTIONAL LOW VOLTAGE
 IRING
 IRING
HIGH VOLTAGE
LOW VOLTAGE
ENGEND
5
L1
L2
T1
T2
BC
PLF
CM
PLM
11
10
9
8
7
6
5
4
3
2
1
12
11
10
9
8
7
6
5
4
3
2
1
EHK
PLF
9
8
7
6
5
4
3
2
1
1
PLF1
BM
4
3
2
1
4
3
2
1
6
5
4
3
2
1
6
5
4
3
2
1
YL
TB2
BA C D
BL
BL
BK
PU


4
TON
t = 180s
R1
Y1
Y2
R2
BL
YL
YL
YL
RD
BK
RD
BK
PU
YL
GR
WH
BR
PLM2PLF2
BM
PLM1
BM
5
4
3
2
1
BM
BL
RD
BL
BL
BL
PK BL
BL
BL
PK
BL
BR1
1
0
BR2
1
0
BR3
1
0
GR
YL
WH
BL
BL
BLGR
YL
WH
BR1
BL
BR3
2
7
4
8
PU PU
BR
PK
RD
8
PK
PK
PK
7
8
2
1
2
1
N
G
L
C
N
G
L
C
GR
GR
M
1~
M
1~
M
1~
9
CM
CM PLF-2
CC - T2
G
L
BK
BR
N
GR
M
1~
BK
BR
9
CC - A1
TB1 - Y2
3
2
YL
WH
TB2 - C,D
BL
1
2-SPEED ECM MOTOR
1
2
3
COM
HIGH
LOW
YL
PU
BL
7
GRGY
V1
V2
CS
BL
PU
YL
BL
GR
GR
0140L07137
WHYL
BR3
2
4
PU BR
MAT
PLF
2
1
BK
BK
PK
BK
BR2
2
4
BR2
7 8
BR BR
PU
WH
YL
PK
PK
EARTH GROUND
ES
ECON
6B
6B
CHR
1
0
CHS
PKRD RD
BL
10
CCH
BK
GR
RD BK
BK
CHR
CHR
2 4
6 8
10
CRANKCASE HEATER IS OPTIONAL
10

Related product manuals