EasyManua.ls Logo

Daikin EWAD E-SS Series - Figure 7 - Water Piping Connection for Evaporator; Figure 8 - Water Piping Connection for Heat Recovery Exchangers; Water Treatment

Daikin EWAD E-SS Series
76 pages
Print Icon
To Next Page IconTo Next Page
To Next Page IconTo Next Page
To Previous Page IconTo Previous Page
To Previous Page IconTo Previous Page
Loading...
DEIMAC00708-16EN - 23/76
In the event that glycol is added to the hydraulic system as anti-freeze protection, pay attention to the fact that intake
pressure will be lower, the machine’s performance will be lower and water pressure drops will be greater. All machine -
protection methods, such as anti-freeze, and low-pressure protection will need to be reset.
Before insulating water piping, check that there are no leaks.
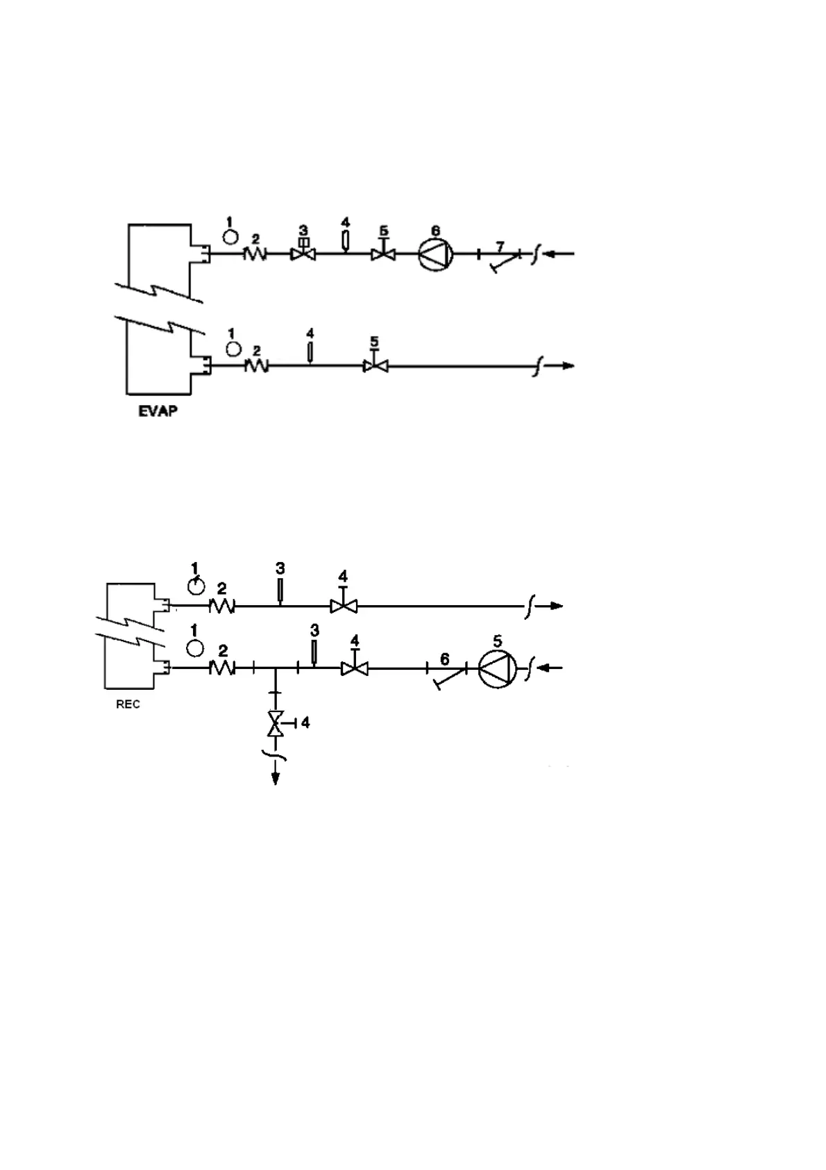
1 - Pressure Gauge
2 - Flexible connector
3 - Flow switch
4 - Temperature probe
5 - Isolation Valve
6 - Pump
7 - Filter
Figure 7 - Water piping connection for evaporator
1 - Pressure Gauge
2 - Flexible connector
3 - Temperature probe
4 - Isolation Valve
5 - Pump
6 - Filter
Figure 8 - Water piping connection for heat recovery exchangers
Water treatment
Before putting the machine into operation, clean the hydraulic circuit. Dirt, scales, corrosion residue and other
extraneous material can accumulate inside the heat exchanger and reduce its heat exchanging capacity. Pressure drops
can increase, as well, thus reducing water flow. Proper water treatment therefore reduces the risk of corrosion, erosion,
scaling, etc. The most appropriate water treatment must be determined locally, according to the type of system and to
the local characteristics of the process water.
The manufacturer is not responsible for damage to or malfunctioning of equipment caused by failure to treat water or by
improperly treated water.

Table of Contents

Related product manuals