EasyManua.ls Logo

Daikin FTX50HVEC - Page 354

Daikin FTX50HVEC
410 pages
Print Icon
To Next Page IconTo Next Page
To Next Page IconTo Next Page
To Previous Page IconTo Previous Page
To Previous Page IconTo Previous Page
Loading...
Si18-201 Outdoor Unit
Removal Procedure 341
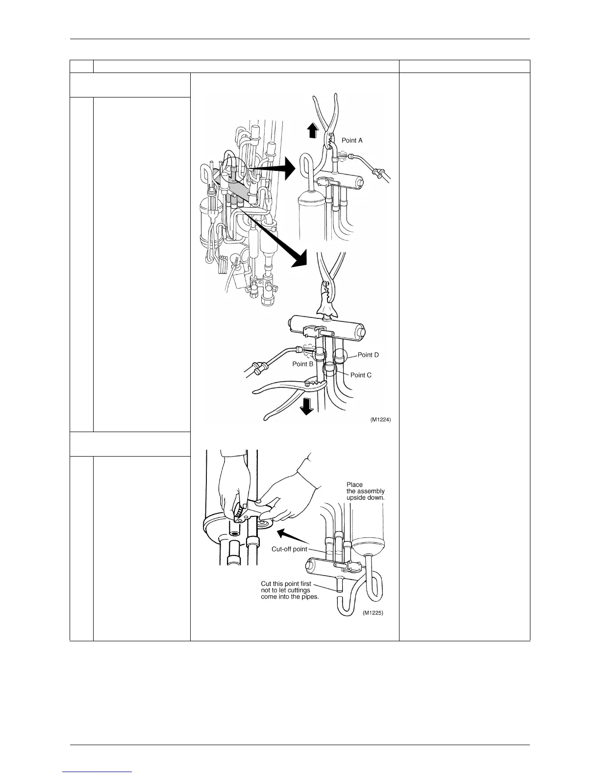
2. Disconnecting the 4-way
valve
1
Remove the screw.
2
Get rid of the brazing at
points A, B, C and D.
Disconnect the 4-way
valve assembly.
Reassembling precautions
1 Use non-oxidizing brazing
method. If nitrogen gas is not
available, braze the parts
speedily.
2 Avoid deterioration of the
packings due to
carbonization of oil inside the
4-way valve or thermal
influence. For this purpose,
wrap the 4-way valve with
wet cloth. Splash water over
the cloth against becoming
too hot (keep it below
120°C).
"
In pulling the pipes, be
careful not to overtighten
them with pliers. The pipes
may get deformed.
When cutting with the small
pipe cutter:
If the gas welding machine fails
to remove the 4-way valve, take
the steps below.
1. Disconnect the brazed pipe
sections that are readily
easy to separate and join
together later.
2. With a small copper tube
cutter, cut off the internal
pipes to easily take out the
4-way valve.
Note:
Never use a hack saw. Cuttings
may come into the pipes.
"
Be careful not to lose or
damage the drip proof cover.
Fit it back into position.
1
Place the refrigerant
piping assembly upside
down to prevent
cuttings from coming
into the pipes
Step Procedure Points

Table of Contents

Related product manuals