EasyManua.ls Logo

Daikin FTY25CVMA - Removal of Electrical Parts Box; PCB; Swing Motor

Daikin FTY25CVMA
212 pages
Print Icon
To Next Page IconTo Next Page
To Next Page IconTo Next Page
To Previous Page IconTo Previous Page
To Previous Page IconTo Previous Page
Loading...
FT25/35CV1A, FTY25/35CVMA Si01-406
134 Removal Procedure
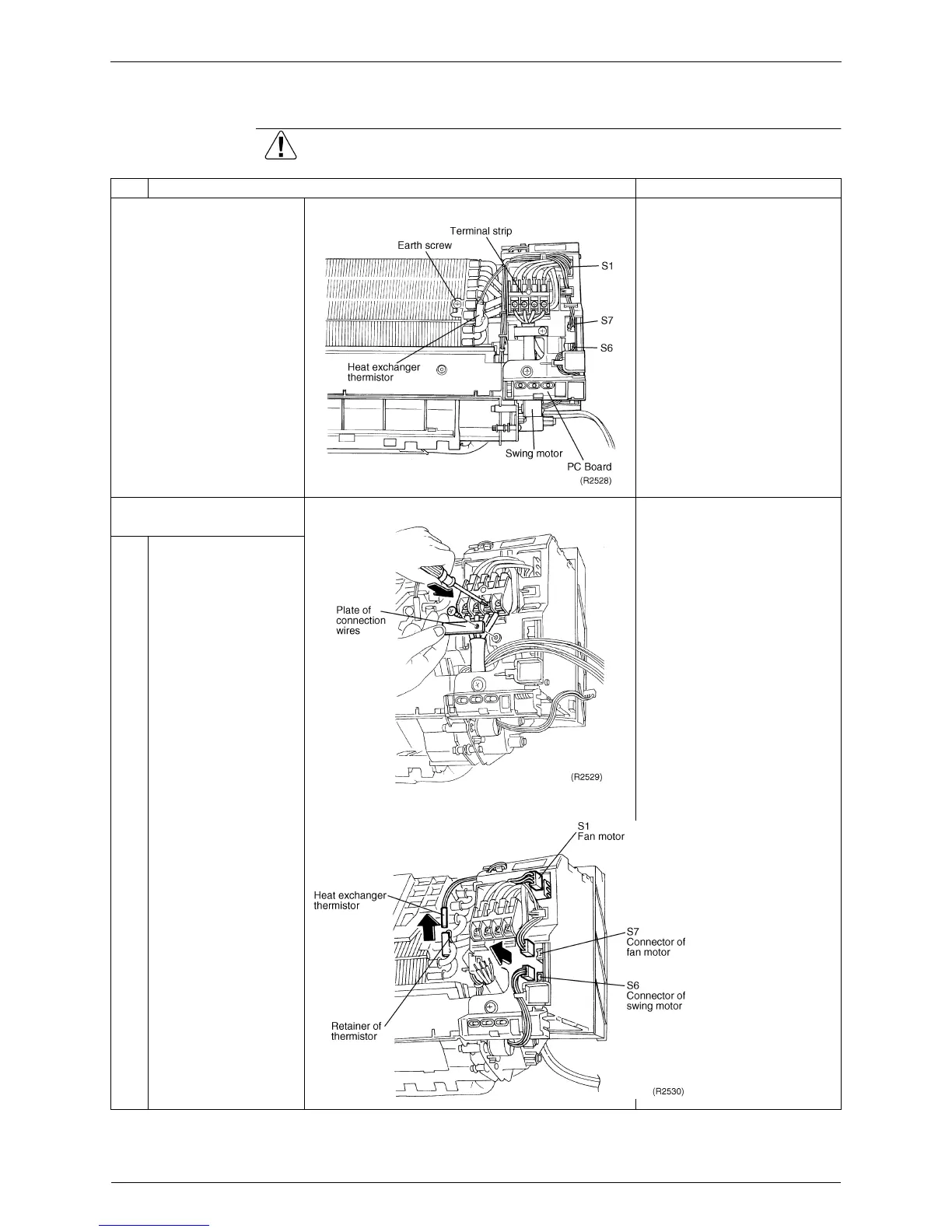
1.4 Removal of Electrical Parts Box / PCB / Swing Motor
Procedure Warning Be sure to wait 10 minutes or more after turning off all power supplies
before disassembling work.
Step Procedure Points
Remove the front grill.
1. Remove the electrical
parts box.
1
Disconnect the
connection wires.
2
Disconnect the
connectors of fan motor
(S1 and S7).
Pay attention to the direction
of the retainer of the
thermistor so that the
retainer will not touch the
harness (same as the
existing models.)
3
Disconnect the
connector of swing
motor (S6).
4
Remove heat
exchanger thermistor.

Table of Contents

Related product manuals