EasyManua.ls Logo

Daikin FTY25CVMA - Page 203

Daikin FTY25CVMA
212 pages
Print Icon
To Next Page IconTo Next Page
To Next Page IconTo Next Page
To Previous Page IconTo Previous Page
To Previous Page IconTo Previous Page
Loading...
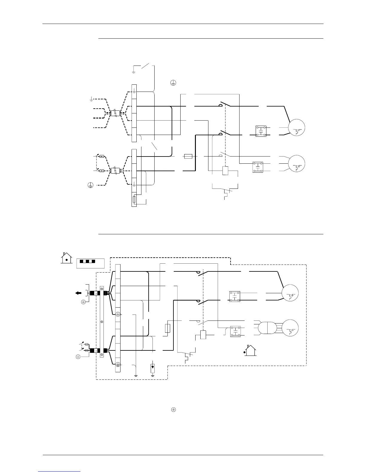
Wiring Diagrams Si01-406
192 Appendix
R35CV1A
R50CV1A
POWER SUPPLY
220V-240V
~ 50Hz
TO INDOOR UNIT
L
N
2
3
1
X2M
X1M
2
N
L
3
1
76ºC
TFU
GRN
BLK
YLW
BLK
GRN
L : LIVE
N : NEUTRAL
YLW
K1M : COMPRESSOR RELAY
M1C : COMPRESSOR MOTOR
C11R
,
C12R : RUNNING CAPACITOR
RED
BLK
BLK
3.15A
F1U
WHT
BLU
RED
: PROTECTIVE EARTH
BLK
BLK
14
4
A2
6
K1M
Q1L
130
13
3
5
A1
ºC
BLK
TFU : THERMAL FUSE
F1U : FUSE
M1F : FAN MOTOR
Q1L : OVERLOAD PROTECTOR
X1M
,
X2M : TERMINAL STRIP
BRN
C12R
C11R
BLU
YLW
WHT
RED
BLK
RED
S
3D024714B
M
C
1~
1~
M
M
140ºC
M1F
M1C
~50Hz 220-240V
indoor
POWER SUPPLY
L : LIVE
K1M : COMPRESSOR RELAY
F1S : SURGE ARRESTER
F1U : FUSE
C11R
,
C12R : RUNNING CAPACITOR
N
L
FIELD WIRING.
3
2
1
X1M
L
N
2
3
1
GRN
GRN
/YLW
/YLW
BLK
RED
3.15A
F1U
RED
BLK
F1S
BLK
WHT
RED
RED
N : NEUTRAL
M1C : COMPRESSOR MOTOR
M1F : FAN MOTOR
Q1L : OVERLOAD PROTECTOR
X1M : TERMINAL STRIP
X11A : CONNECTOR
BLK
: PROTECTIVE EARTH
Q1L
13
A1
5
1
ORG
K1M
A2
14
2
6
RED
RED
C11R
C12R
NOTES
BLU
outdoor
1. REFER TO THE NAMEPLATE FOR
WHT
BLK
RED
THE POWER REQUIREMENTS.
YLW
RED
X11A
S
M
C
~
~
M
M
3D045730
M1C
M1F

Table of Contents

Related product manuals