EasyManua.ls Logo

Daikin FWP CT - Page 15

Daikin FWP CT
24 pages
Print Icon
To Next Page IconTo Next Page
To Next Page IconTo Next Page
To Previous Page IconTo Previous Page
To Previous Page IconTo Previous Page
Loading...
UT66002766-02
All copying, even partial, of this manual is strictly forbidden 15
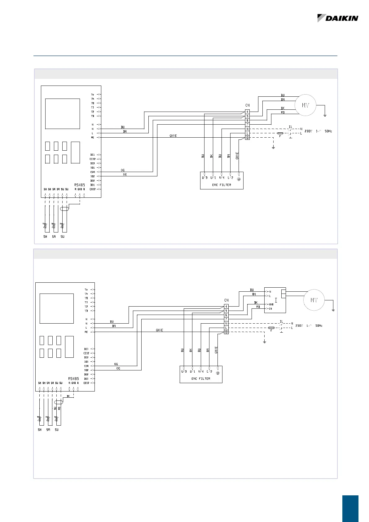
10 ELECTRICAL WIRES
» FWEC3A wiring diagram with built-in inverter motor
» FWEC3A wiring diagram with separated inverter motor

Related product manuals