EasyManua.ls Logo

Daikin FWP CT - Page 16

Daikin FWP CT
24 pages
Print Icon
To Next Page IconTo Next Page
To Next Page IconTo Next Page
To Previous Page IconTo Previous Page
To Previous Page IconTo Previous Page
Loading...
FWPC
TECHNICAL MANUAL16
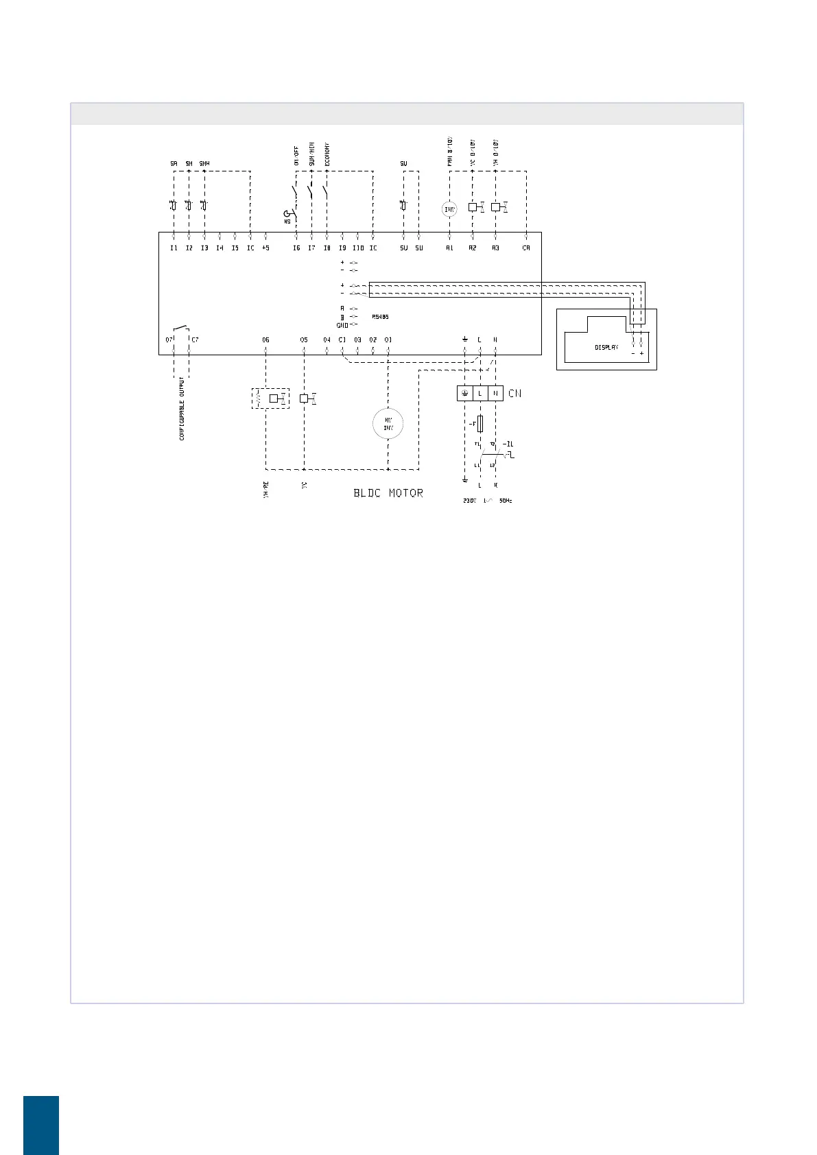
» Wiring diagram FWECS
Electrical wiring diagram
legend:
Vo Inverter motor power
supply
L Phase
PE Ground
N Neutral
CN Terminal board connector
F Fuse (not supplied)
IL Circuit breaker (not
supplied)
... Wirings made by supplier
WH White = common
BK Black = GND inverter
BU Blue = inverter neutral
motor
VC Cooling mode - solenoid
valve
VH Heating mode - solenoid
valve
DO1 Digital outlet 1
DO2 Digital outlet 2
102 Outlet 0-10V 2
101 Outlet 0-10V 1
COM Common outlet 0-10V
BN Brown = inverter motor
phase
CO12 Common digital outlet
GYNE Yellow/green = ground
(PE)
RD Red = 0-10V signal
RE Electric heater
SW Water sensor
SU Humidity sensor
SA Air sensor
DI1 Digital inlet 1
DI2 Digital inlet 2
CI12 Common digital inlet
A/B/GND RS485