EasyManua.ls Logo

Daikin LRLEQ5AY1(E) - Page 149

Daikin LRLEQ5AY1(E)
156 pages
Print Icon
To Next Page IconTo Next Page
To Next Page IconTo Next Page
To Previous Page IconTo Previous Page
To Previous Page IconTo Previous Page
Loading...
Troubleshooting SiENBE28-901
148 Air Cooled Refrigeration Condensing Unit
3) Maintenance 3: Maintenance of showcase and dryer
No continuous operations allowed
1. Close the stop valve C to conduct pump down operation.
(The compressor will automatically stop or the pump down operation will be conducted for a
period of 10 minutes.)
2. Turn off the operation switch for the outdoor unit. After the outdoor unit has stopped, turn off
the power supply for the outdoor unit.
3. Remove the control box.
4. Close the stop valves in the order: C and D.
5. Recover the refrigerant in the compressor through the liquid stop valve C and gas stop valve
D. ( shaped region.)
6. Conduct air tight checks.
7. Conduct vacuuming through the liquid stop valve C and gas stop valve D.
8. Turn on the power supply for the outdoor unit. Then turn on the operation switch for the
outdoor unit.
(If a remote controller switch is used, enable the remote setting.)
9. Charge the refrigerant by the same quantity as that recovered with a charging cylinder.
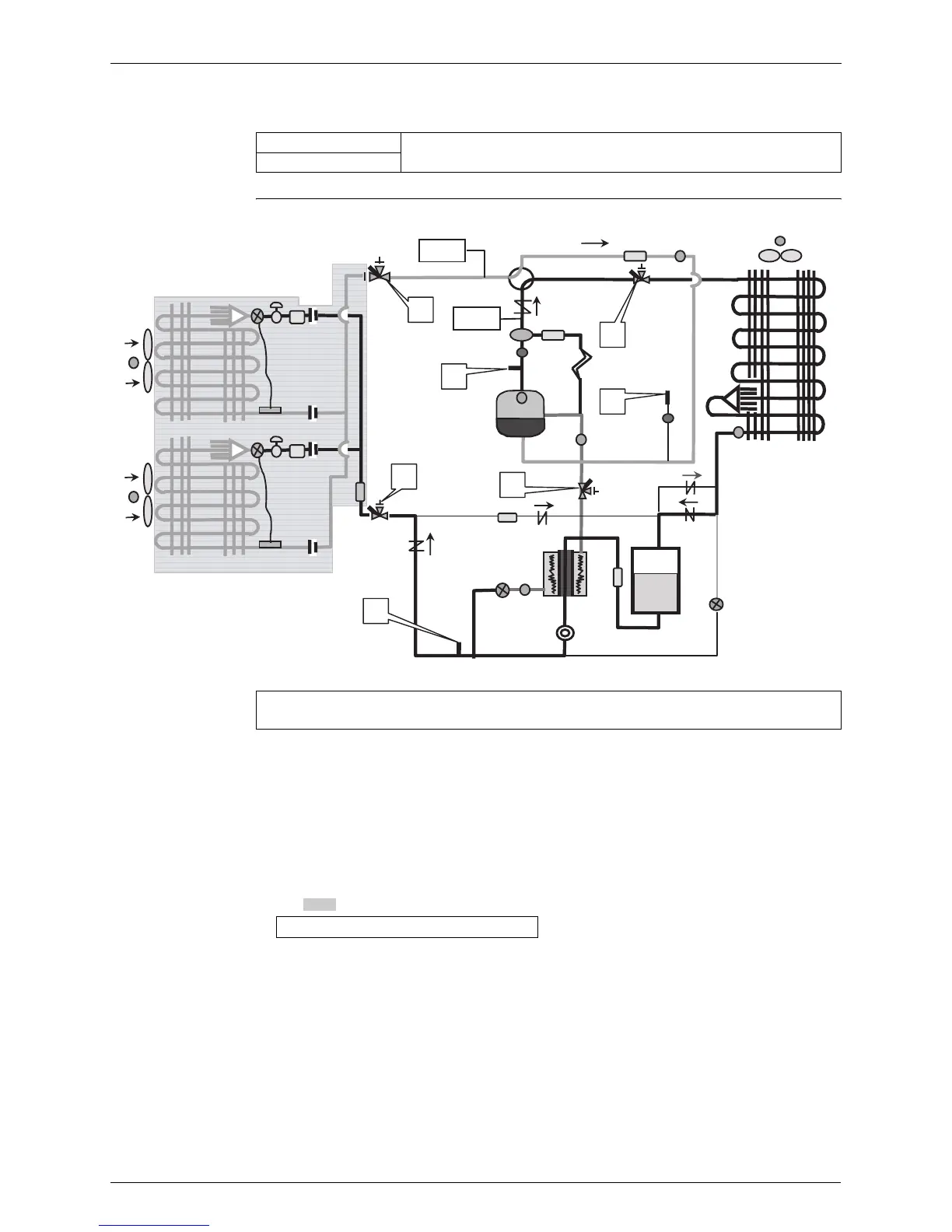
Applicable parts
• Main electronic expansion valve
• Injection electronic expansion valve
1 compressor
HPSL
HPS1
D
a
C
B
A
b
HP
Td1
INV
EV2
TL
c
EV1
Tg
LP
Tce
A: Discharge line maintenance valve B: Injection line maintenance valve C: Liquid stop valve
D: Gas stop valve a, b, c: Service ports
Repair or replace the applicable parts.

Related product manuals