EasyManua.ls Logo

Daikin LRLEQ5AY1(E) - Page 21

Daikin LRLEQ5AY1(E)
156 pages
Print Icon
To Next Page IconTo Next Page
To Next Page IconTo Next Page
To Previous Page IconTo Previous Page
To Previous Page IconTo Previous Page
Loading...
Standard Specification SiENBE28-901
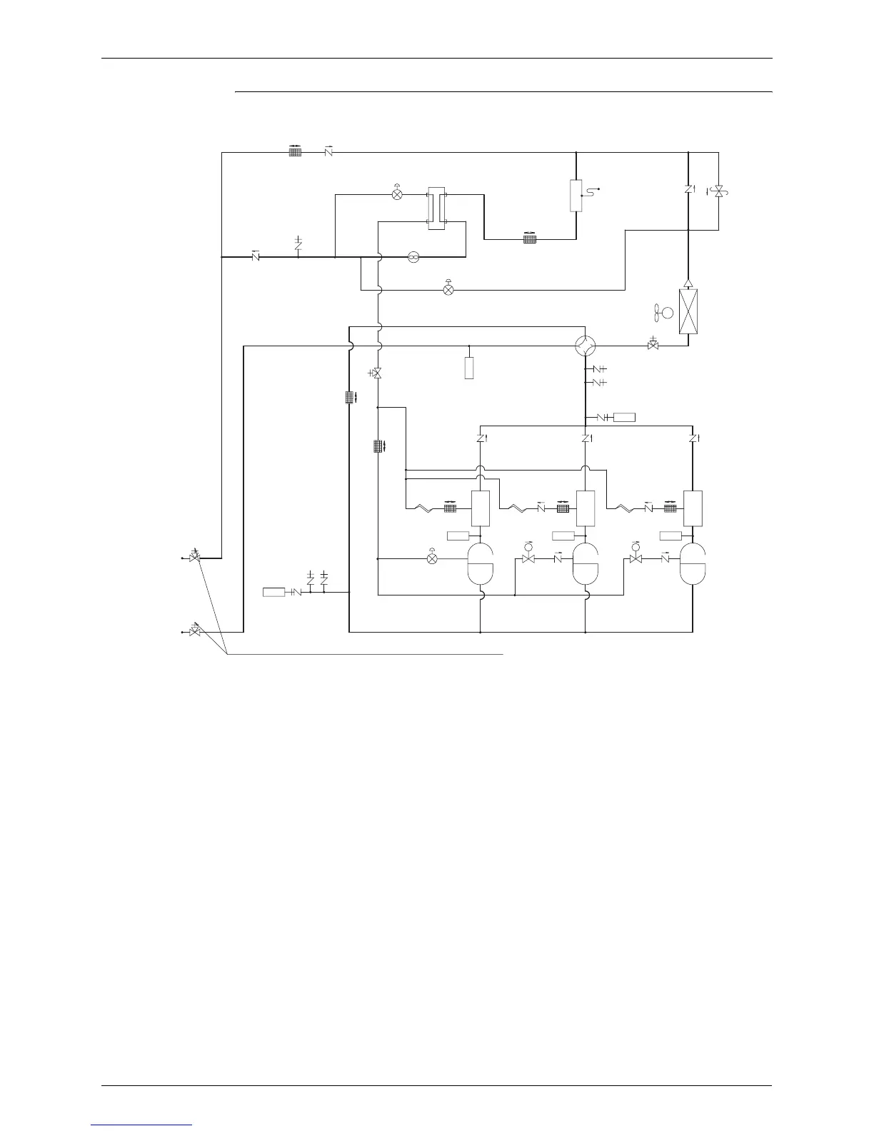
20 Air Cooled Refrigeration Condensing Unit
LRLEQ15A, 20AY1(E)
LRMEQ15A, 20AY1(E)
FILTER CHECK VALVE
ELECTRONIC
EXPANSION
VALVE
SERVICE PORT
CHECK VALVE
PLATE TYPE HEAT
EXCHANGER
SIGHT GLASS
ELECTRONIC
EXPANSION
VALVE
FILTER
RECEIVER
FUSIBLE
PLUG
CHECK VALVE
PRESSURE
REGULATING
VALVE
FAN
M
HEAT EXCHANGER
FILTER
STOP VALVE
HIGH PRESSURE
SWITCH
(DEFROST)
FOUR WAY VALVE
STOP VALVE
SERVICE PORT
GAUGE PORT
HIGH PRESSURE SENSOR
S1NPH
S4PH
CHECK VALVE
FILTER
CAPILLARY
TUBE
OIL
SEPARATOR
HIGH PRESSURE
SWITCH
COMPRESSOR
INV
LOW PRESSURE
SENSOR
S1NPL
GAUGE PORT
SERVICE PORT
LIQUID PIPE
φ12.7 C1220T
GAS PIPE
φ31.8 C1220T
STOP VALVE (WITH SERVICE PORT φ7.9mm FLARE CONNECTION)
CHECK VALVE
FILTER
S1PH
ELECTRONIC
EXPANSION
VALVE
OIL
SEPARATOR
CAPILLARY
TUBE
HIGH PRESSURE
SWITCH
S3PH
COMPRESSOR
STD2
CHECK
VALVE
CHECK
VALVE
SOLENOID
VALVE
3D064603
CHECK VALVE
FILTER
OIL
SEPARATOR
CAPILLARY
TUBE
HIGH PRESSURE
SWITCH
S2PH
COMPRESSOR
STD1
CHECK
VALVE
CHECK
VALVE
SOLENOID
VALVE
FILTER
SV SV

Related product manuals