EasyManua.ls Logo

Daikin LRLEQ5AY1(E) - Page 30

Daikin LRLEQ5AY1(E)
156 pages
Print Icon
To Next Page IconTo Next Page
To Next Page IconTo Next Page
To Previous Page IconTo Previous Page
To Previous Page IconTo Previous Page
Loading...
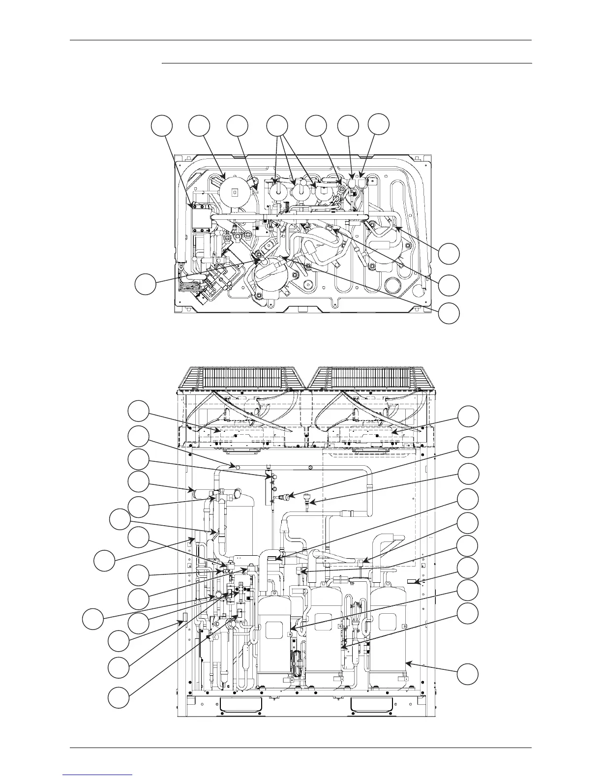
SiENBE28-901 Standard Specification
Air Cooled Refrigeration Condensing Unit 29
LRMEQ15, 20AY1
LRLEQ15, 20AY1
C
R31T
26
8
Y3E
Y2S
D
R32T
13
S1NPL
B
R2T
A
1
2
M1C
R1T
M2C
R5T
Y2E
Y3S
S4PH
G
9
Y2S Y5S
11
182720
R33T
E
4
12
S1NPH
16
S3PH
15
S2PH
3
M2C
M3C
R6T
H
R3T
F
28
22
6
Y1E
24
19
7
17
21
10
25
23
5
14
S1PH

Related product manuals