EasyManua.ls Logo

Daikin RDT-135c - Page 86

Daikin RDT-135c
132 pages
Print Icon
To Next Page IconTo Next Page
To Next Page IconTo Next Page
To Previous Page IconTo Previous Page
To Previous Page IconTo Previous Page
Loading...
84 IM 738-2
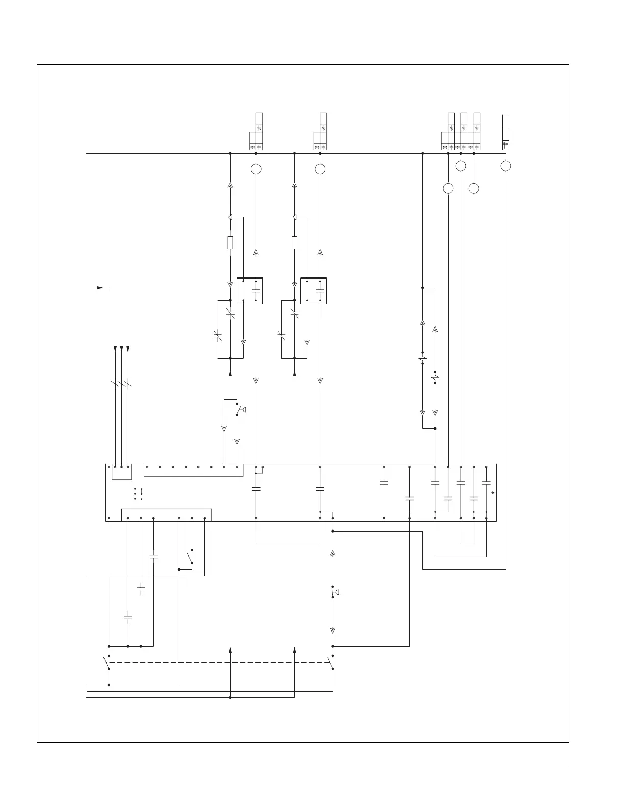
Wiring Diagrams
Figure 84. RPS 60 condensing unit control (with scroll compressors), continued
H847-3
H848-2
(OPEN OUTPUT)
H860-10 H860-11
H848-4
H850-7H850-12
MP2J
H848-9
H849-8
H855-7
H853-4
H855-6
MP4J
H853-9
H854-8
J856A
J856B
H864-5
H863-6
H863-1
H864-1
837
838
839
840
841
842
843
844
845
846
847
848
849
850
851
852
853
854
855
856
857
858
859
860
861
862
863
864
865
866
867
868
869
870
855
850
869
719
850
735
855
840
720
762
724
719
841 848
735
842 853
BO4
NOCOM
BO5
NOCOM
BO6
NOCOM
BO8
NOCOM
BO7
NOCOM
BO9
NOCOM
(COMPR #6)
BO2
NOCOM
(COMPR #4)
BO3
NOCOM
BO1
NOCOM
(COMPR #2)
DISABLEENABLE
DISABLEENABLE
B02
B01
JUMPERS
J10
J9
COMPR.
CONTROL
BOARD
INPUTS
BI=BINARY
AI=ANALOG
(JUMPER LOCATED
JUST UNDER
COMM. CARD)
N2
BUS
1413
1413
21
35
43
21
GRD
18
15
13
11
10
7
20
4
17
16
12
9
8
19
6
5
2
13
COM2
BI6
BI5
BI4
BI3
BI2
COM1
BI1
REF
N2-
N2+
24C
BI12
BI11
BI8
BI10
BI9
BI7
24V
12
2
3
WHT
BLK
DRN
87
A1 A2
A1 A2
A1 A2
10 11
2
1
A1
A2
7M2
T2
M1
T1
2222222
12
4
21
9
8
12(32)11(31)
2221
A1
A2
7M2
T2
M1
T1
2222222
6
4
21
9
8
12(32)11(31)
2221
5
1
1
6
1
2
1
2
M4
M2
PS2
R2
CS2
CCB2
N_24/8.06
LP2
+NB
PL26
+PP
PL26
+PP
N2+/8.09
N2-/8.08
REF/8.09
115VAC/8.53
R2
115VAC/8.48
M22
M21
M23
PL28
+PP
PL28
+PP
HP4
+NB
M2
PL26
+PP
MP2
+NB
PL26
+PP
PL26
+PP
HTR2
+NB
PL26
+PP
PL26
+PP
115VAC/8.48
MMP2
M2
M4
PL28
+PP
MP4
+NB
PL28
+PP
PL28
+PP
HTR4
+NB
PL28
+PP
PL28
+PP
115VAC/8.53
MMP4
M4
PL9
+PP
PL10
+PP
PL9
+PP
PL10
+PP
SV6
+NB
SV2
+NB
848A
847A
845A
842A
841A
840A
838A
867A
866A
865A
856A 856B
855A 855B
852B
850A 850B 850C
847B
864A
805A
209C
210C
210D
168A
168A
168A
168A
(Schematic continues on previous page.)

Table of Contents