EasyManua.ls Logo

Daikin Super Multi NX B series - Page 281

Daikin Super Multi NX B series
302 pages
Print Icon
To Next Page IconTo Next Page
To Next Page IconTo Next Page
To Previous Page IconTo Previous Page
To Previous Page IconTo Previous Page
Loading...
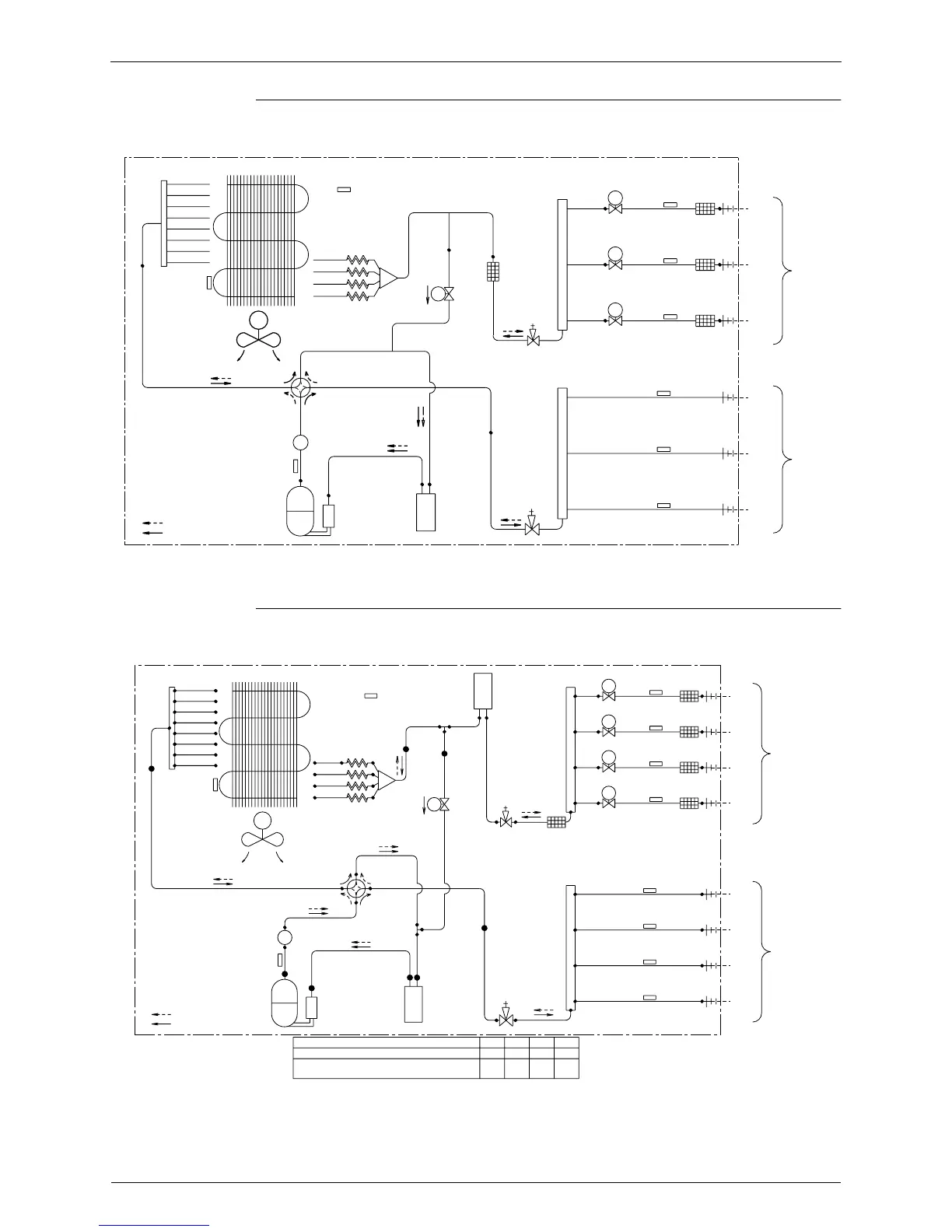
Piping Diagrams Si12-308
270 Appendix
3MXD68BVMC, 3MXD68BVMA, 3MXD68BVMT
4MXD80BVMC, 4MXD80BVMA, 4MXD80BVMT, 4MXS80BVMB
REFRIGERANT FLOW
HEADER
HEAT EXCHANGER
THERMISTOR
(
DE
)
OUTDOOR UNIT
COOLING
HEATING
12.7CuT
PROPELLER FAN
DC FAN MOTOR
HEAT EXCHANGER
DISCHARGE PIPE
THERMISTOR
(
DO
)
COMPRESSOR
M
VALVE
REVERSING
SOLENOID
MUFFLER
7.9CuT
OUTDOOR TEMPERATURE
THERMISTOR
(
DOA
)
12.7CuT
CAPILLARY TUBE
ACCUMULATOR
12.7CuT
12.7CuT
DISTRIBUTOR
6.4CuT
9.5CuT
SV
ACCUMULATOR
12.7CuT
VALVE
DEFROST
SOLENOID
6.4CuT
FILTER
STOP VALVE
LIQUID LINE
STOP VALVE
GAS LINE
HEADER
HEADER
LIQUID PIPE
MOTOR OPERATED VALVE
LIQUID PIPE
MOTOR OPERATED VALVE
MOTOR OPERATED VALVE
LIQUID PIPE
6.4CuT
6.4CuT
6.4CuT
12.7CuT
12.7CuT
12.7CuT
EV
EV
EV
GAS PIPE THERMISTOR
(
DGC
)
GAS PIPE THERMISTOR
(
DGB
)
GAS PIPE THERMISTOR
(
DGA
)
B
A
C
THERMISTOR
(
DLC
)
THERMISTOR
(
DLB
)
THERMISTOR
(
DLA
)
FILTER
FILTER
FILTER
(
6.4 CuT
)
(
6.4 CuT
)
(
6.4 CuT
)
(
15.9 CuT
)
(
12.7 CuT
)
(
12.7 CuT
)
ROOM B
ROOM A
ROOM B
ROOM A
ROOM C
ROOM C
3D036218B
GAS
FIELD
FIELD
PIPING
PIPING
LIQUID
REFRIGERANT FLOW
HEADER
12.7CuT
OUTDOOR UNIT
HEAT EXCHANGER
THERMISTOR
(
DE
)
COOLING
HEATING
7.9CuT
7.9CuT
7.9CuT
7.9CuT
7.9CuT
7.9CuT
7.9CuT
7.9CuT
PROPELLER FAN
DC FAN MOTOR
DISCHARGE PIPE
THERMISTOR
(
DO
)
COMPRESSOR
HEAT EXCHANGER
12.7CuT
MUFFLER
M
7.9CuT
7.9CuT
ACCUMULATOR
7.9CuT
VALVE
4-WAY
OUTDOOR TEMPERATURE
THERMISTOR
(
DOA
)
CAPILLARY TUBE
12.7CuT
12.7CuT
12.7CuT
DISTRIBUTOR
9.5CuT
7.9CuT
4MX80AZVMB, 4MXS80BVMB
ACCUMULATOR
12.7CuT
4MX80AVMA, 4MX80AVMC, 4MX80AVMT
4MXD80BVMA, 4MXD80BVMC, 4MXD80BVMT
SV
MODEL
RECEIVER
VALVE
7.9CuT
6.4CuT
6.4CuT
SOLENOID
7.9CuT
9.5 9.5
6.4
AA
STOP VALVE
12.7CuT
LIQUID LINE
STOP VALVE
9.5CuT
GAS LINE
9.5
12.7
9.5
AB
9.5CuT
15.9
12.7
AC AD
12.7CuT
HEADER
HEADER
FILTER
7.9CuT
7.9CuT
7.9CuT
7.9CuT
MOTOR OPERATED VALVE
MOTOR OPERATED VALVE
MOTOR OPERATED VALVE
MOTOR OPERATED VALVE
LIQUID PIPE
LIQUID PIPE
LIQUID PIPE
LIQUID PIPE
12.7CuT
12.7CuT
12.7CuT
12.7CuT
EV
EV
EV
EV
GAS PIPE THERMISTOR
(
DGD
)
GAS PIPE THERMISTOR
(
DGC
)
GAS PIPE THERMISTOR
(
DGB
)
GAS PIPE THERMISTOR
(
DGA
)
A
D
C
B
THERMISTOR
(
DLD
)
THERMISTOR
(
DLA
)
THERMISTOR
(
DLB
)
THERMISTOR
(
DLC
)
FILTER
FILTER
FILTER
FILTER
(
AD CuT
)
(
AC CuT
)
(
AA CuT
)
(
AB CuT
)
(
6.4 CuT
)
(
6.4 CuT
)
(
6.4 CuT
)
(
15.9 CuT
)
ROOM D
ROOM C
ROOM B
ROOM A
ROOM D
ROOM C
ROOM B
ROOM A
3D034480B
GAS
FIELD
FIELD
PIPING
PIPING
LIQUID

Table of Contents

Related product manuals