EasyManua.ls Logo

Daikin Vision - Page 36

Daikin Vision
56 pages
Print Icon
To Next Page IconTo Next Page
To Next Page IconTo Next Page
To Previous Page IconTo Previous Page
To Previous Page IconTo Previous Page
Loading...
IM 915-13 • VISION - EXTENDED SIZES 36 www.DaikinApplied.com

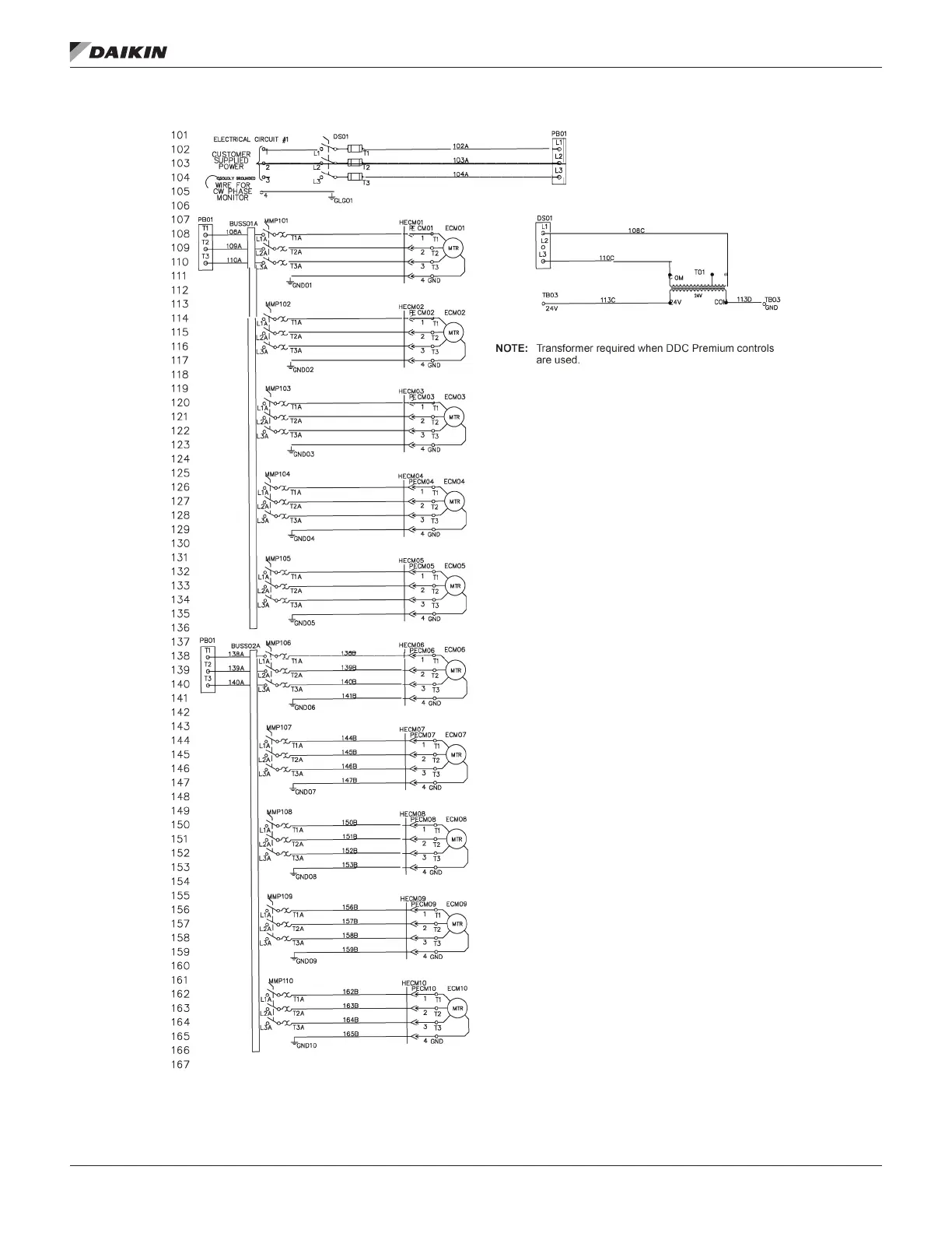
Figure 64: Line Voltage Wiring - All Fans

Related product manuals