EasyManua.ls Logo

Daikin WDC - Page 17

Daikin WDC
74 pages
Print Icon
To Next Page IconTo Next Page
To Next Page IconTo Next Page
To Previous Page IconTo Previous Page
To Previous Page IconTo Previous Page
Loading...

www.DaikinApplied.com 17 IOM 1281-2 • CENTRIFUGAL WATER CHILLERS
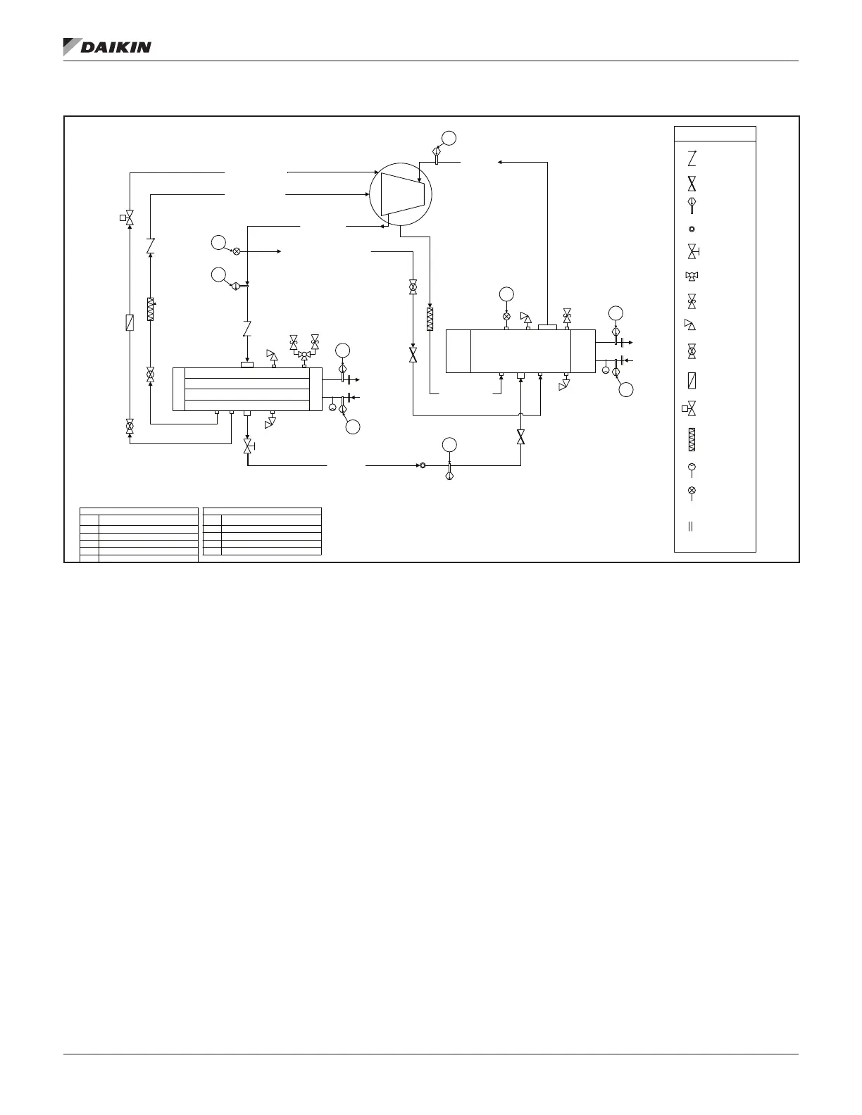
Figure 13: Typical Refrigerant Flow Diagram - Models 079-126
COMPRESSOR CONTR OLLER
BUBBLE
NO.
DESCRIPTION
P201 EVAPORATOR PRESSURE
P202 CONDENSER PRESSURE
P102 COMPRESSOR SUCTION TEMPERATURE
P102 COMPRESSOR DISC HARGE TEMPERATURE
P104 EVAPORATOR LEAVING WATER TEMPERATURE
UNIT CONTROLLER
BUBBLE
NO.
DESCRIPTION
P104 EVAPORATOR ENTERING WATER TEMPERATURE
P104 CONDENSER ENTERING WATER TEMPERATURE
P104 CONDENSER LEAVIN G WATER TEMPERATURE
P104 LIQUID LINE TEMPERATURE
C HE CK VAL VE
CONDENSER
EVAPORATOR
SHUTOFF VALVE
ELECTRONIC
EXPANSION VALVE
TEMPERATURE
SENSOR
SIGH T GLAS S
LIQUID LINE
RELIEF VALVE
LIQUID INJECTION LINE
MOTOR COOLING LINE
SERVICE VALVE
THREE-WAY VALVE
BALL VA LVE
STRAINER
SOLENOID VALVE
D IS CHA RGE LI NE
FILTER DRYER
MOTOR DRAIN LINE
P104
P102
P102
FLOW SENSOR
P104
P104
HOT GAS BYPASS LINE (OPTONAL)
F LO W CH A RT L EG END
P RE SSU R E SE NSO R
P202
INLET
OUTLET
P104
P104
INLET
OUTLET
P201
COMPRESSOR
SUCTION LINE
WATER
CONNECTION
POINT

Related product manuals