EasyManua.ls Logo

Dake Euromatic 370 S - Page 41

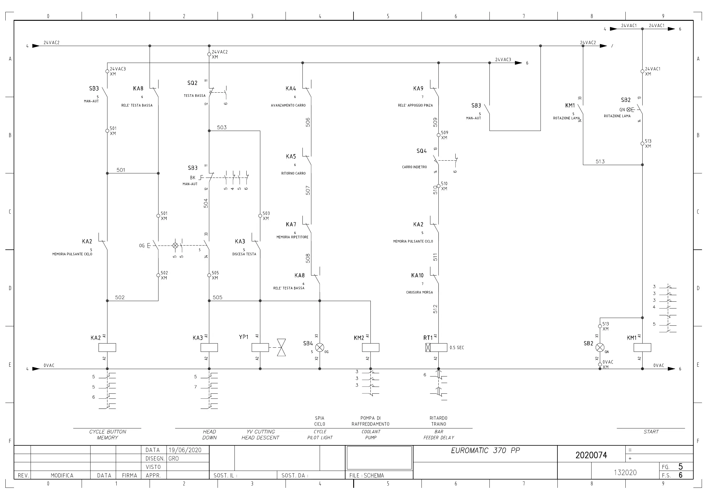
Dake Euromatic 370 S
64 pages
Print Icon
To Next Page IconTo Next Page
To Next Page IconTo Next Page
To Previous Page IconTo Previous Page
To Previous Page IconTo Previous Page
Loading...
DISCESA
TESTA
EV DISCESA
TESTA
STARTMEMORIA
PULSANTE CICLO
SB4
START CICLO
ELECTROMECHANICALCIRCUIT

Related product manuals