EasyManua.ls Logo

Danfoss ICAD 1200A - Page 9

Danfoss ICAD 1200A
18 pages
Print Icon
To Next Page IconTo Next Page
To Next Page IconTo Next Page
To Previous Page IconTo Previous Page
To Previous Page IconTo Previous Page
Loading...
Quick Start Guide | ICM/ICAD Motorized Valves - Installation, Programming, and Troubleshooting
© Danfoss | DCS (MWA) | 2016.07
DKRCI.EI.HT0.B3.22 | 520H4763 | 9
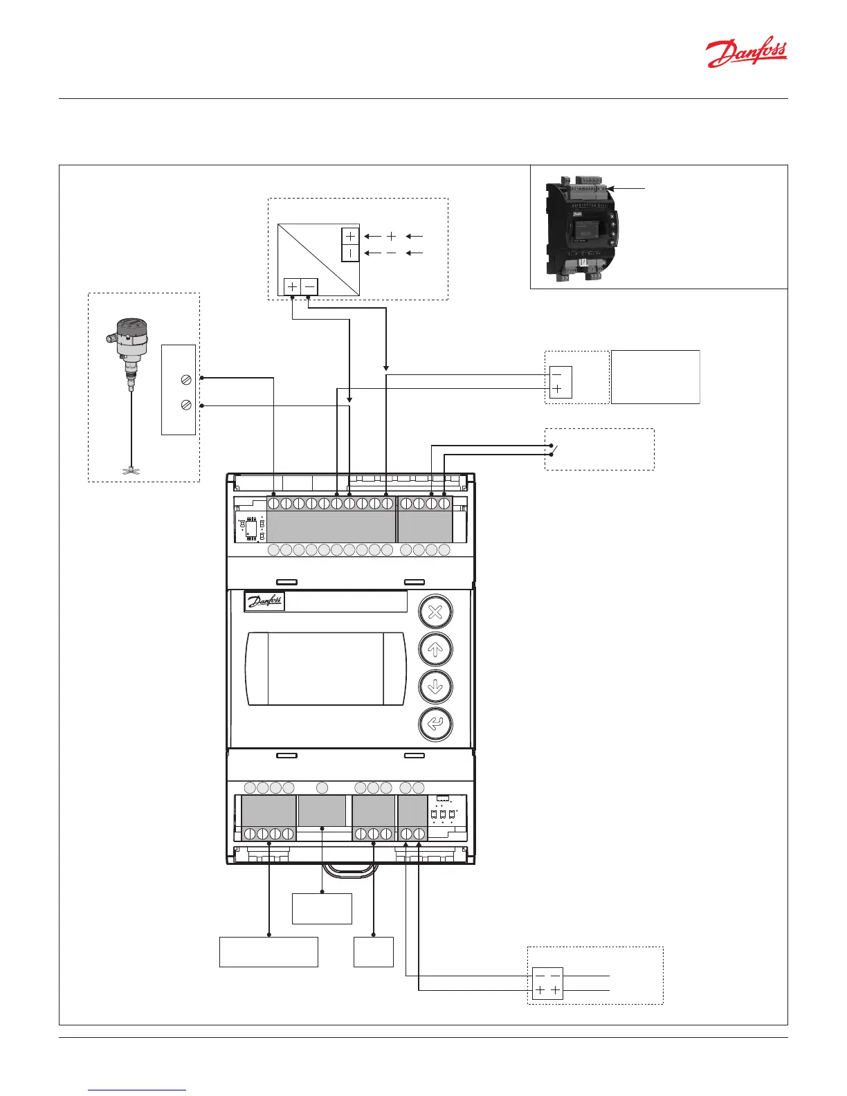
AKS 4100/4100U
AKS 41
Connections
upper level
DI1 - main switch
4-20 mA
CANbus connection
to other EKE controllers
plug for
remote display
ModBUS
4-20 mA
24 V DC
orange
Optional ICAD/ICM
Valve Position
Feedback
ICAD 2
nd
gen
blue
24 V AC
L
N
+
1
23
orange
ICAD 2
nd
gen (2010 +)
yellow
brown
white
24 V+
15 V+
5 V+
COM
AI 5
AI 4
AI 3
AI 2
AI 1
COM
COM
DI 2
DI 1
COM
R120
CAN H
CAN L
GND
R GND
D+
D-
COM
AO 1
CAN RJ
24 V DC
1
15 16 17 18 19 20 21 22 23 24
2 3 4 5 6 7 8 9 10 11 12 13 14
Upper level
Wiring diagram showing ICAD wired to a Danfoss EKE controller
Note: For instructions on completely wiring an EKE controller, please see the relevant EKE controller manual.
Wiring the ICAD actuator
continued

Other manuals for Danfoss ICAD 1200A

Related product manuals