EasyManua.ls Logo

Danfoss PVG 16 - PVG 16 and 32 Function Testing

Danfoss PVG 16
28 pages
Print Icon
To Next Page IconTo Next Page
To Next Page IconTo Next Page
To Previous Page IconTo Previous Page
To Previous Page IconTo Previous Page
Loading...
For relief valve version and location please see the figure
P109140
C
LS
A
C
C
LS
B
C
C
LS
C
T
6[0.24]
360º~1450 psi
360º~100 bar
C-C
4[0.16]
360º~1740 psi
360º~120 bar
T
C-C
PVG 16 and 32 function testing
Function testing insures the correct dynamic manual and electrical operation of the PVG 16 and PVG 32
valve assembly. This test should be performed after completing the pressure adjustments. Each section of
the assembly must be tested:
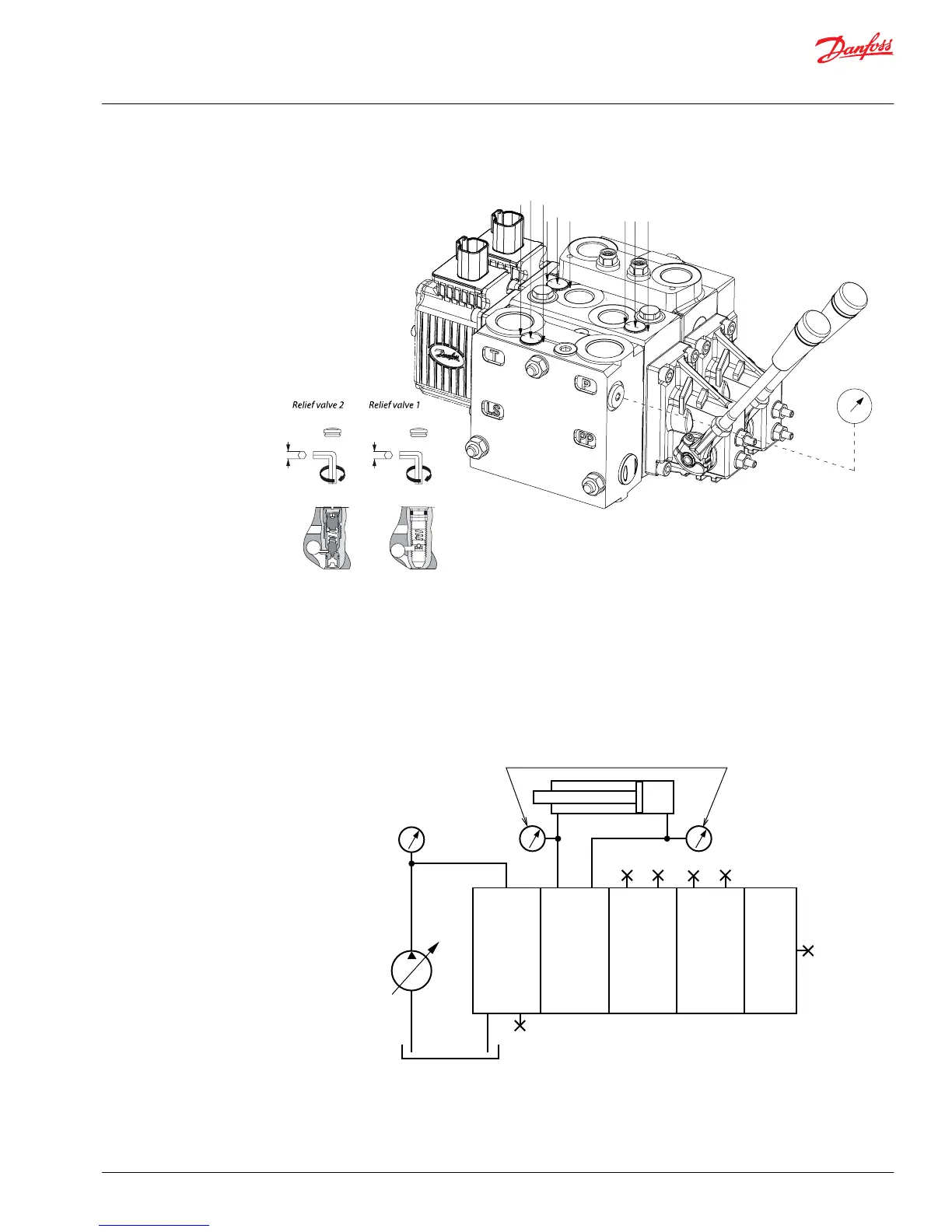
1. With the pump connected, remove the plugs from the section to be tested as described in the
Pressure setting after assembly on page 22 section. Connect the “A” port of the valve to the rod end of
the cylinder and the “B” port to the base end of the cylinder (see the figure below).
PVP
LS
P
V310340.A
Inlet Pressure Measurement
30 to 350 bar
[435 to 5075 psi]
Workport PVLP Pressure Measurement
32 to 350 bar [464 to 5075 psi]
PC Pump 14 l/min
[3.4 US gal/min]
T
A B A B A B
LX
PVB PVB PVB PVS/I
2. Shift the control lever of the tested section towards the valve and observe cylinder retraction. Shift
the same control lever away from the valve and observe cylinder extension. Repeat several times. On
valve groups with PVM’s on the “B” side, the cylinder movement will be opposite when shifting the
handle in the same direction.
3. Check the spool travel smoothness in both directions.
Service Manual
PVG 16 and 32 Service Assembly/Disassembly Guide
Testing
©
Danfoss | November 2017 L1104530 | AX00000133en-US0106 | 23

Other manuals for Danfoss PVG 16

Related product manuals