EasyManua.ls Logo

Danfoss VLT 2010 - Functional Diagram VLT 2010-2030 Single-Phase;Three-Phase 208-240 V

Danfoss VLT 2010
110 pages
Print Icon
To Next Page IconTo Next Page
To Next Page IconTo Next Page
To Previous Page IconTo Previous Page
To Previous Page IconTo Previous Page
Loading...
MG.20.B6.02 – VLT is a registered Danfoss trademark
VLT
®
2000 Series
26
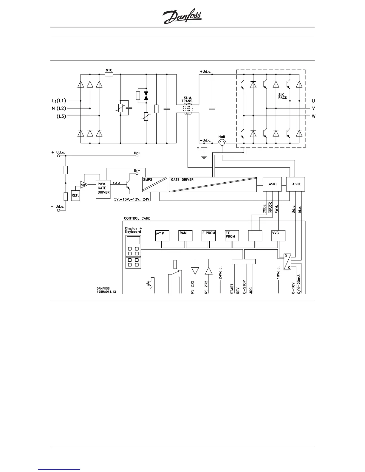
How the VLT works
Functional diagram VLT 2010-2030 single-phase/three-phase 208-240 V

Table of Contents

Related product manuals