EasyManua.ls Logo

Danfoss VLT HVAC Drive FC 102 - Page 363

Danfoss VLT HVAC Drive FC 102
370 pages
Print Icon
To Next Page IconTo Next Page
To Next Page IconTo Next Page
To Previous Page IconTo Previous Page
To Previous Page IconTo Previous Page
Loading...
130BF759.10
POWER CARD PCA2
FAN POWER CARD
INRUSH CARD PCA4
GATEDRIVE CARD PCA5
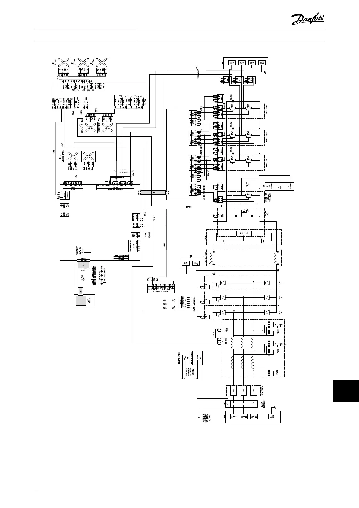
Illustration 16.6 Electrical Block Diagram of E1h–E4h Units
Block Diagrams Service Guide
MG94A502 Danfoss A/S © 02/2019 All rights reserved. 361
16 16

Table of Contents

Other manuals for Danfoss VLT HVAC Drive FC 102

Related product manuals